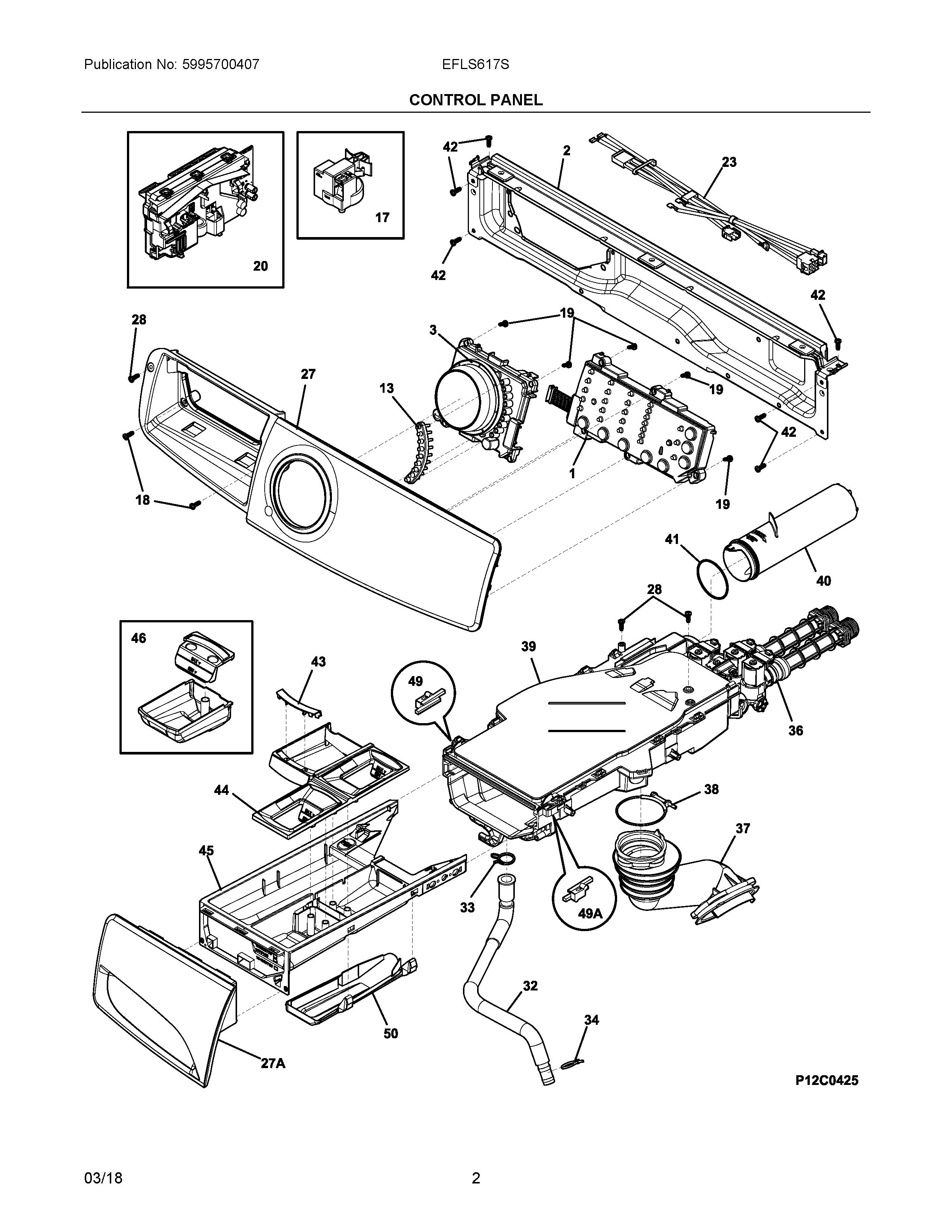
EFLS617SIW0 02 – CONTROL PANELadmin2025-04-26T08:51:08+00:00EFLS617SIW0 02 – CONTROL PANEL
Products
| Position | Product |
|---|
| NIA | 134178901 Frigidaire Screw |
| NI | ENERGY GUIDE |
| NIA | 134629400 Frigidaire Screw |
| NIA | 134371300 DISPENSER TO VALVE GASKET |
| NIA | 134407900 Frigidaire Dampener |
| 1 | 5304505611 Frigidaire Board Assembly |
| 2 | 5304505086 Frigidaire Bracket |
| 3 | 5304505019 Frigidaire Assembly-Knob |
| 13 | DIFFUSER, LIGHT |
| 17 | SENSOR SWITCH |
| 18 | 131302800 Frigidaire Drum Vane Screw |
| 19 | 5304505441 Frigidaire Screw |
| 20 | 5304505520 Frigidaire Main Board Washer |
| 23 | 5304505127 Frigidaire Harness |
| 27 | 5304505462 Frigidaire Console Assembly |
| 27A | 5304505463 Frigidaire Handle Assembly |
| 28 | 131205100 Frigidaire Screw |
| 32 | 134625500 Frigidaire Hose |
| 33 | 134737300 Frigidaire Clamp |
| 34 | 5304528020 Frigidaire Cable Tie |
| 36 | 5304505192 Frigidaire Valve Assembly |
| 37 | 134625700 Frigidaire Hose |
| 38 | 134372400 Frigidaire Clamp |
| 39 | HOUSING ASSEMBLY, DISPENSER, W/VALVE |
| 40 | 134372103 Frigidaire Tube |
| 41 | 134372200 Frigidaire O-Ring |
| 42 | 131168200 Frigidaire Dryer Screw |
| 43 | INDICATOR, STAIN TREATMENT |
| 44 | COVER, DRAWER, W/GRAPHICS |
| 45 | DRAWER, DISPENSER |
| 46 | 137143800 Frigidaire Cup |
| 49A | GUIDE, DISPENSER DWR, RH |
| 49 | GUIDE, DISPENSER DWR, LH |
| 50 | WCI 134638400 |