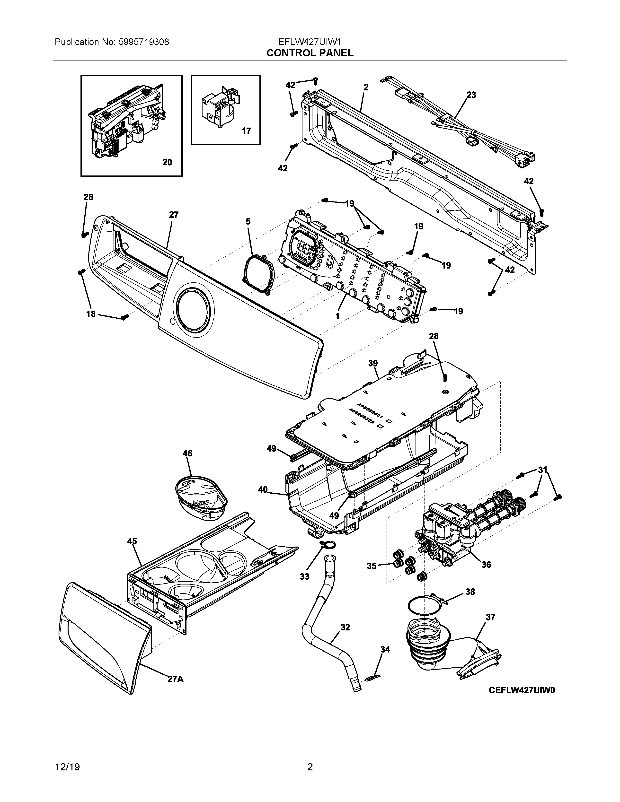
EFLW427UIW1 02 – CONTROL PANELadmin2025-04-26T08:51:14+00:00EFLW427UIW1 02 – CONTROL PANEL ProductsPositionProductNILABEL, ENERGY GUIDENIA134407900 Frigidaire DampenerNIA134629400 Frigidaire Screw15304515294 Frigidaire Washer Control Board Housing Assembly25304505086 Frigidaire Bracket55304505345 Frigidaire Seal17SENSOR SWITCH18131302800 Frigidaire Drum Vane Screw195304505441 Frigidaire Screw205304519501 Frigidaire Main Board235304522538 Frigidaire Harness27A5304515293 Frigidaire Handle Assembly275304515292 Frigidaire Console Assembly28131205100 Frigidaire Screw315304514820 Frigidaire Screw32134625500 Frigidaire Hose33134737300 Frigidaire Clamp345304528020 Frigidaire Cable Tie35134371300 DISPENSER TO VALVE GASKET365304522535 Frigidaire Valve Assembly37134625700 Frigidaire Hose38134372400 Frigidaire Clamp395304514794 Frigidaire Washer Conveyor405304514782 Frigidaire Washer Housing42131168200 Frigidaire Dryer Screw455304514793 Frigidaire Drawer Assembly465304514801 Frigidaire Cup Assembly495304514781 Frigidaire Slider Assembly