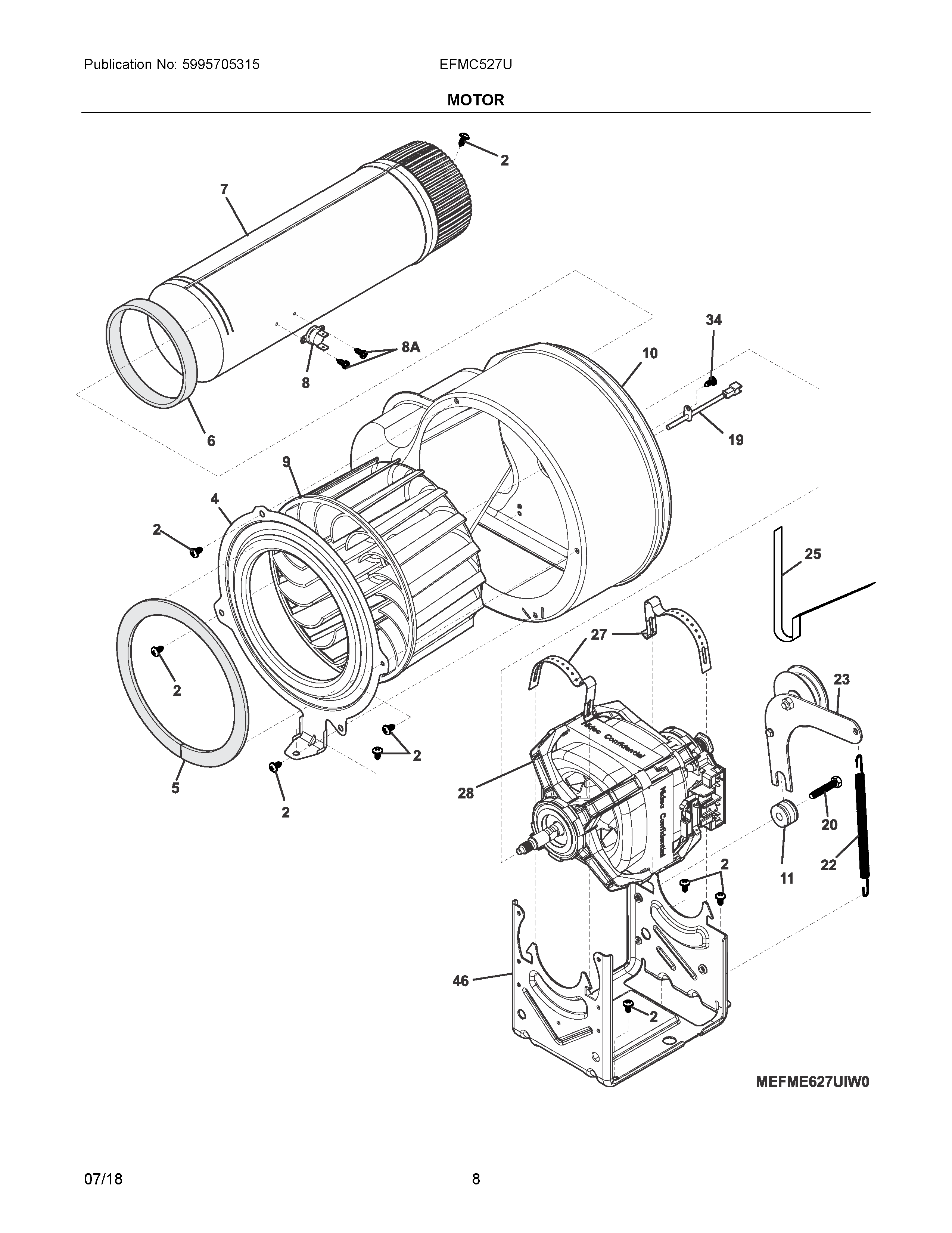
| 2 | 131168200 Frigidaire Dryer Screw |
| 4 | 5304505074 Frigidaire Spacer |
| 5 | 5304505313 Frigidaire Gasket |
| 6 | 5304505318 Frigidaire Gasket |
| 7 | 5304515233 Frigidaire Tube |
| 8 | 134711401 Frigidaire Dryer Thermal Fuse |
| 8A | 134935200 Frigidaire Screw |
| 9 | 5304513609 Frigidaire Washer Blower Wheel |
| 10 | 5304505339 Frigidaire Blower Assembly |
| 11 | 131749800 Frigidaire Spacer |
| 19 | 5304513591 Frigidaire Thermistor |
| 20 | 131017900 Frigidaire Screw |
| 22 | 131601000 Frigidaire Idler Spring Assembly |
| 23 | 134793511 Frigidaire Idler Arm Assembly |
| 25 | 5 RIB DRYER BELT |
| 27 | 134242400 Frigidaire Washer Clamp Assembly |
| 28 | 5304529782 Frigidaire Motor |
| 34 | 131243700 Frigidaire Screw |
| 46 | 5304505075 Frigidaire Bracket |