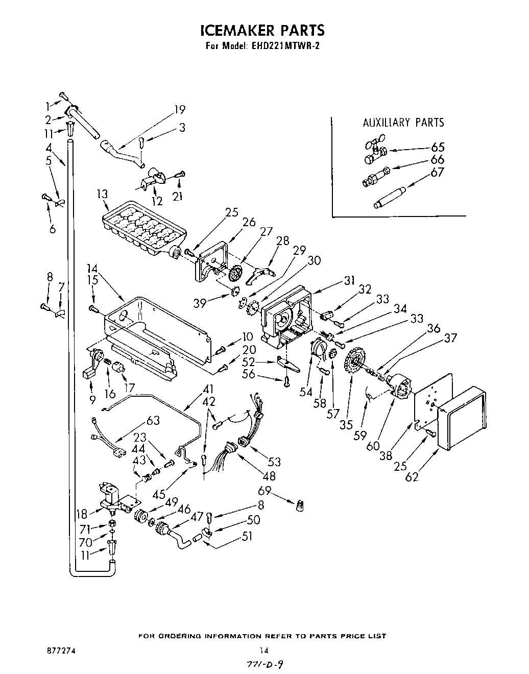
EHD221MTWR2 08 – ICEMAKERadmin2025-04-26T09:50:03+00:00EHD221MTWR2 08 – ICEMAKER
Products
| Position | Product |
|---|
| 1 | WP98165 Whirlpool Screw |
| 2 | WP2196157 Whirlpool Fill Tube |
| 3 | SCREW |
| 4 | W10823511 Whirlpool Refrigerator Water Tube |
| 5 | WP488878 Whirlpool Refrigerator Tube Clamp |
| 6 | WP965173 Whirlpool Dishwasher Screw |
| 7 | Clamp, Water Line (2) |
| 8 | W11624204 Whirlpool Screw |
| 9 | Support & Cam |
| 10 | Screw, 8-18 x 5/8 (4) |
| 11 | 4387491 Whirlpool Refrigerator Insert |
| 12 | Collar, Inlet |
| 13 | 627711 Whirlpool Refrigerator Ice Flex Tray |
| 14 | Frame |
| 15 | Screw, 8-18 x 1/2 |
| 16 | Spring, Bearing |
| 17 | Bearing |
| 18 | 4318047 Whirlpool Water Valve |
| 19 | Tube, Water Inlet |
| 21 | WP488729 Whirlpool Refrigerator Door Screw |
| 23 | WP488163 Whirlpool Refrigerator Screw |
| 25 | W11693756 Whirlpool Screw Assembly |
| 26 | Cover, Gear |
| 27 | Gear & Cam |
| 28 | Lever, Cam |
| 29 | Cam & Pinion |
| 30 | Gear |
| 31 | Housing, Control |
| 32 | 627512 Whirlpool Refrigerator MICR Switch |
| 33 | Screw (Repair) |
| 33 | Screw, 4-24 x 3/4 |
| 34 | Switch, Water Valve |
| 35 | Gear, Drive |
| 36 | Pin, Drive |
| 37 | Spring, Drive Pin |
| 38 | Plate |
| 39 | Gear & Pinion |
| 41 | Arm, Shutoff |
| 42 | Screw, Ground |
| 43 | Grommet (2) |
| 44 | Spacer (2) |
| 45 | Spring, Shutoff Arm |
| 46 | WP16123 Whirlpool Washer |
| 47 | Tube, Inlet |
| 48 | Harness (Cabinet) |
| 49 | Nut, Valve |
| 50 | Clamp Tube |
| 51 | WP2158826 Whirlpool Refrigerator Dampener |
| 52 | Lever, Shutoff |
| 53 | Harness (Ice Maker) |
| 54 | Motor (Alternate) |
| 54 | Motor |
| 56 | WP488787 Whirlpool Refrigerator Screw |
| 57 | Gear, Timer |
| 58 | Screw, 6-20 x 3/8 (2) |
| 59 | Spring, Cam |
| 60 | Cam (Includes Illus. 37 & 59) |
| 62 | Cover, Front |
| 63 | Wiring Assembly (Water Valve) |
| 65 | Valve, Shut-Off |
| 66 | Union, 1/4`` x 3/16`` |
| 67 | Filter Kit |
| 69 | Wire Connector |
| 70 | ``O`` Ring Seal (4) |
| 71 | WP627018 Whirlpool Refrigerator Nut |