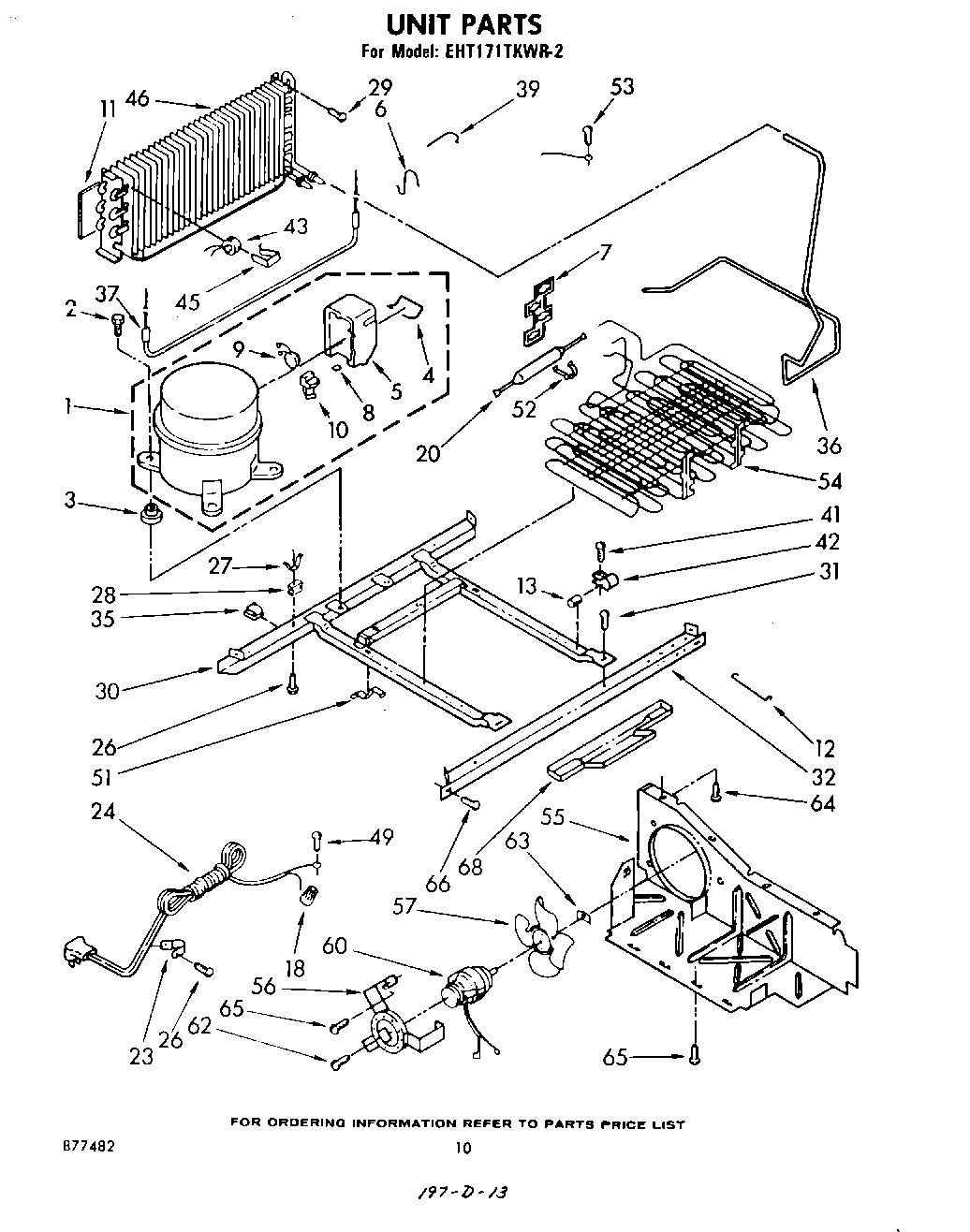
| 1 | Compressor Kit (Includes Items 4, 5, 8, 9 & 10) |
| 2 | Screw, 1/4-28 x 1`` (4) |
| 3 | Grommet (4) |
| 4 | Spring |
| 5 | Case, Relay |
| 6 | Support, Heater |
| 7 | Spacer Condenser (4) |
| 8 | Bumper |
| 9 | Overload |
| 10 | Relay (Alternate) |
| 11 | Baffle, Air |
| 12 | Guard, Fan |
| 13 | Dampener (2) |
| 18 | Wire Connector |
| 20 | W10843121 Whirlpool Refrigerator Tube |
| 23 | 549193 Whirlpool Refrigerator Power Clamp |
| 24 | Cord, Service |
| 26 | W11624204 Whirlpool Screw |
| 27 | Clamp (4) |
| 28 | Grommet (4) |
| 29 | W11693756 Whirlpool Screw Assembly |
| 30 | Frame |
| 31 | Screw, 1/4-28 x 1/2 (2) |
| 32 | Rail, Front |
| 35 | Clip, Wire (2) |
| 36 | Exchanger, Heat |
| 37 | Heater, Defrost |
| 39 | Clip, Heater (2) |
| 41 | WPW10141625 Whirlpool Refrigerator Screw Assembly |
| 42 | Clamp Tube |
| 43 | WP4387489 Whirlpool Refrigerator Bi-Metal Defrost Thermostat |
| 45 | Clamp |
| 46 | Evaporator |
| 49 | Screw, 8-32 x 3/8 |
| 51 | Clip (2) |
| 52 | Clamp |
| 53 | 303776 Whirlpool Dishwasher Screw |
| 54 | Condenser & Precooler Assembly |
| 55 | Baffle |
| 56 | Bracket, Motor |
| 57 | Fan, Blade |
| 60 | 833697 Whirlpool Condenser Fan Motor |
| 62 | Screw, 8-36 x 3/8 (3) |
| 63 | WP486692 Whirlpool Refrigerator Nut |
| 64 | Screw, 8-32 x 1/2 |
| 65 | Screw, 8 x 3/8 |
| 66 | 489340 Whirlpool Refrigerator Screw |
| 68 | VALVE, ACCESS (1/2``) |
| 68 | 978026 Whirlpool Refrigerator Primary Valve |
| 68 | WP978025 Whirlpool Refrigerator Valve |
| 68 | Pan, Drip |
| 68 | 978030 Whirlpool Refrigerator Valve |
| 68 | 978027 Whirlpool Refrigerator Primary Valve |
| 68 | VALVE, ACCESS (5/8``) |