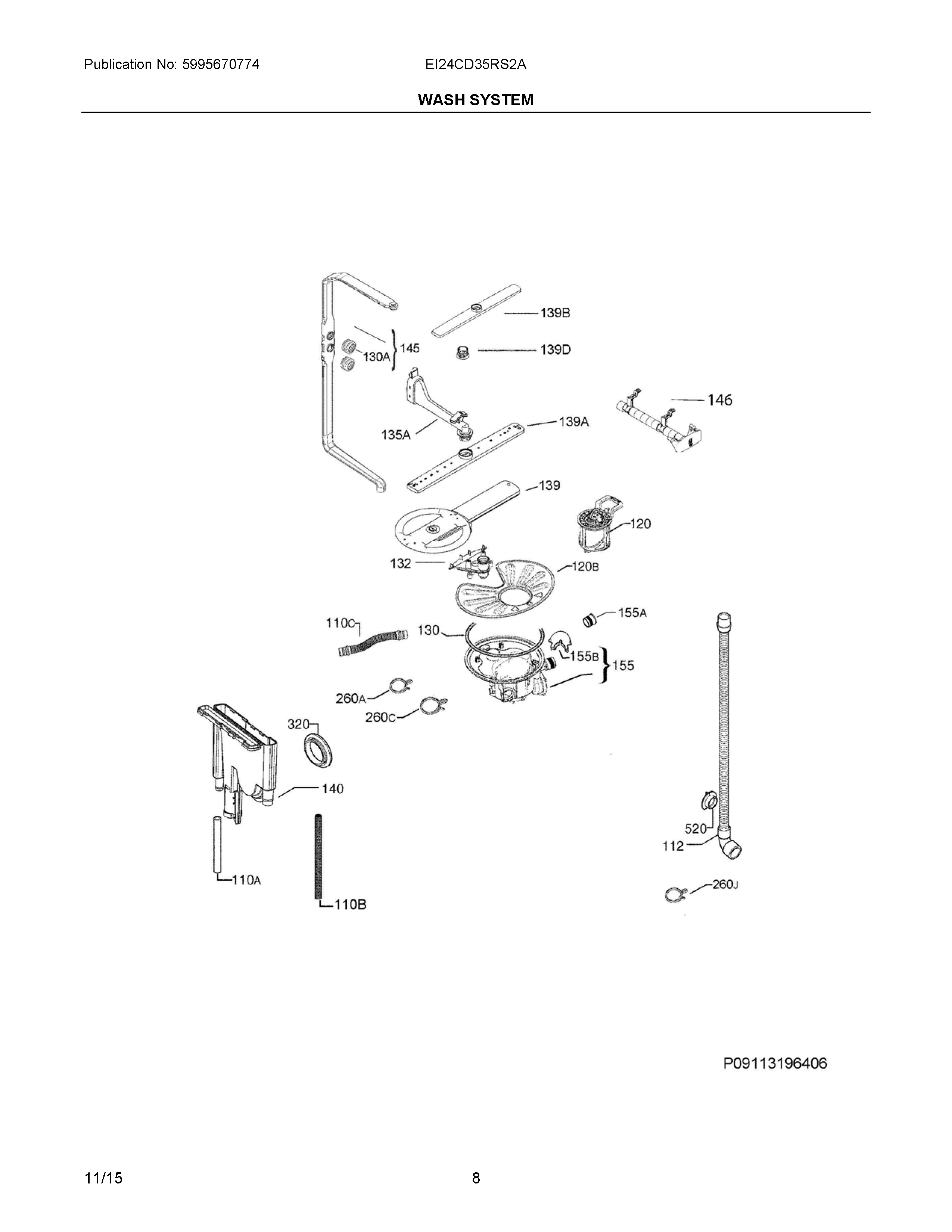
EI24CD35RS2A 05 – WASH SYSTEMadmin2025-04-26T08:51:45+00:00EI24CD35RS2A 05 – WASH SYSTEM ProductsPositionProductNISCREW, SUMP, 4 X 15, (4), & SPRAY ARM110A807526501 Frigidaire Dishwasher Tubing Assembly110CA01256402 Frigidaire Dishwasher Hose110B117281425 Frigidaire Dishwasher Hose112807032601 Frigidaire Dishwasher Hose120BWCI 111920904120A00201409 Frigidaire Dishwasher Drain Filter130AA00045701 Frigidaire Dishwasher Seal130111918600 Frigidaire Dishwasher O-Ring132A11243702 Frigidaire Dishwasher Spray Arm135AA00060302 Frigidaire Dishwasher Duct139111920868 Frigidaire Lower Wash Arm139A808321102 Frigidaire Dishwasher Spray Arm139D807035801 Frigidaire Wash Arm Bearing139B807382106 Frigidaire Dishwasher Upper Spray Arm140A01087405 Frigidaire Dishwasher Water Tank145A00023201 Frigidaire Dishwasher Spray Arm Manifold146WCI 807036104155B111917701 Frigidaire Dishwasher Screen155AA00053601 Frigidaire Dishwasher Flapper155A00049419 Frigidaire Dishwasher Sump Assembly260J807868901 Frigidaire Dishwasher Clamp260C807868903 Frigidaire Dishwasher Clamp260A807868902 Frigidaire Dishwasher Clamp320152627221 Frigidaire Dishwasher GRILL520807201901 Frigidaire Dishwasher Flange