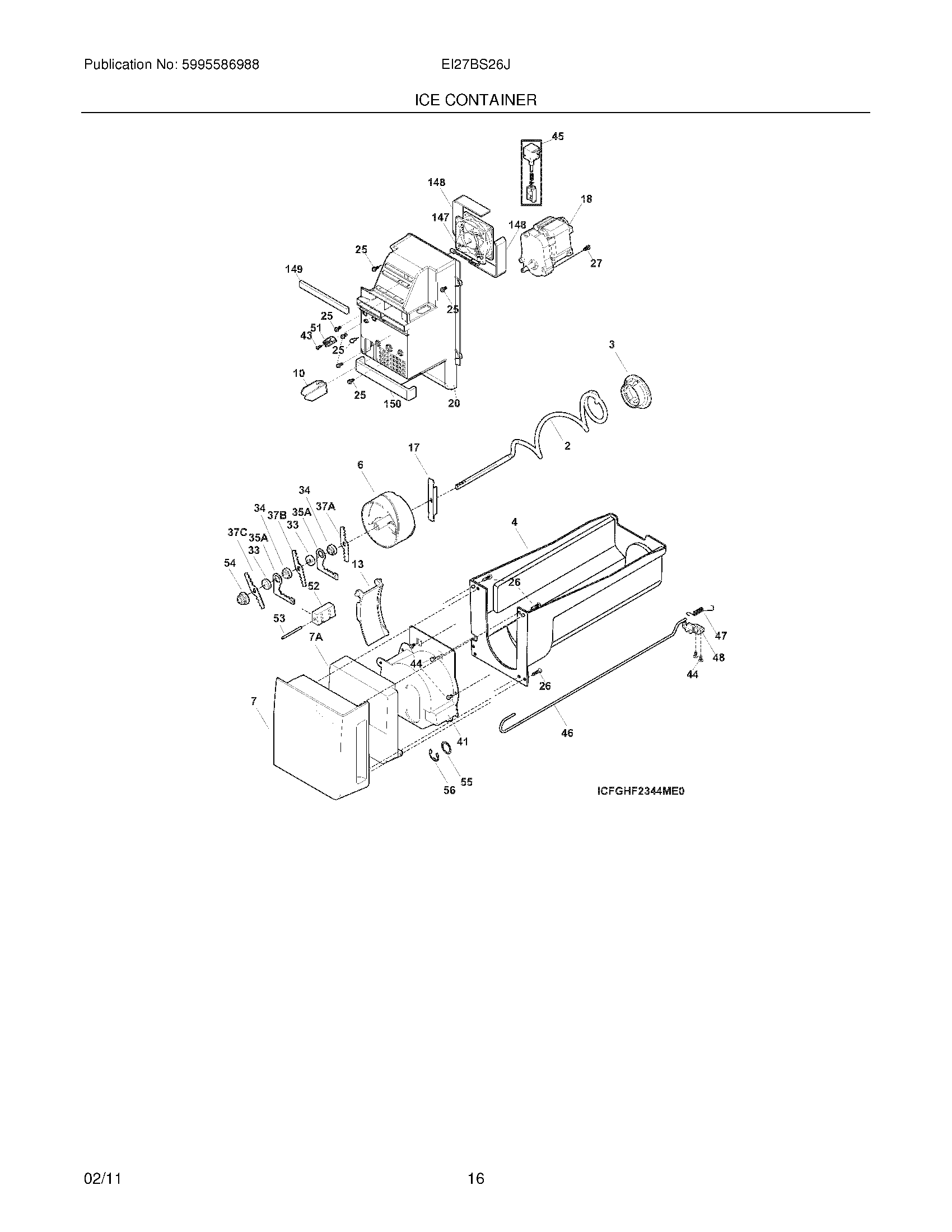
EI27BS26JB3 15 – ICE CONTAINER

EI27BS26JB3 15 – ICE CONTAINER

Products

PositionProduct
NI240555002 Frigidaire Refrigerator Screw #8-32 X 3/8
NI242093007 Frigidaire Refrigerator Ice Container Assembly
NIWCI 242030601
NI242095804 Frigidaire Refrigerator Wiring Harness
2AUGER-ICE
3CAM-DRIVE
4242093101 Frigidaire Refrigerator Ice Container
6241829802 Frigidaire Drum Ice Dispenser
7AINSULATION, I/CONTAINER FRT
7COVER-BUCKET FRONT, LCFFIM
10241829001 Frigidaire Refrigerator Bar Drive
13242106201 Frigidaire Refrigerator Gate
17DRIVE BLADE
18241816602 Frigidaire Refrigerator Motor-AUGER
20242095702 Frigidaire Refrigerator Air Handler Housing
26242015001 Frigidaire Refrigerator Screw
33241684802 Frigidaire Refrigerator Spacer
34241689802 Frigidaire Refrigerator Spacer
35AFIXED BLADE, ROUND
37BBLADE, CRUSHER #2
37CBLADE, CRUSHER #3
37ABLADE, CRUSHER #1
41242093301 Frigidaire Refrigerator Crusher Housing
43241641502 Frigidaire Refrigerator Screw
445304453707 Frigidaire Oven Screw
45C241676101 Frigidaire Refrigerator Solenoid-Actuator
45D241675803 Frigidaire Refrigerator Freezer Ice Dispenser Solenoid
45A241675902 Frigidaire Refrigerator Solenoid Spring
45B241676001 Frigidaire Refrigerator E-Ring Solenoid
45241675704 Frigidaire Refrigerator Solenoid Assembly
46CONTROL ROD
47WCI 241839002
48241830101 Frigidaire Refrigerator Bracket-Control
51242095501 Frigidaire Refrigerator Anti-Twist Buck Pin
52SPACER-FIXED BLADES
53241869601 Frigidaire Refrigerator Pin
54241829601 Frigidaire Refrigerator Nut-Auger
55241690306 Frigidaire Refrigerator Washer
56241690201 Frigidaire Refrigerator E-Ring
1475304493604 Frigidaire Refrigerator Gasket & Fan Kit
148242095406 Frigidaire Refrigerator Gasket
1495303918784 Frigidaire Refrigerator Air Handler Housing