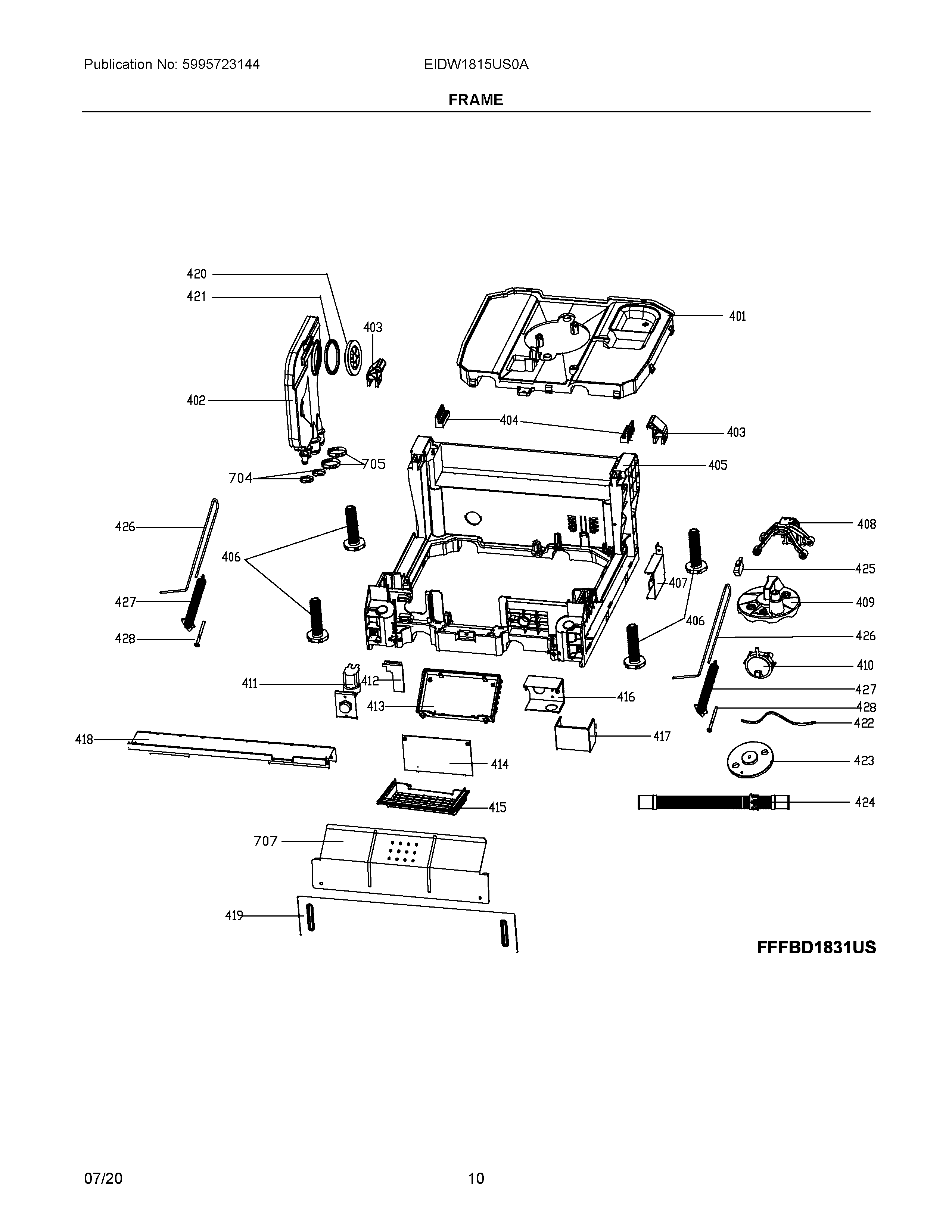
| 401 | 5304519244 Frigidaire Base |
| 402 | 5304519245 Frigidaire Dishwasher Duct Assembly |
| 403 | 5304516644 Frigidaire Dishwasher Block |
| 404 | 5304519246 Frigidaire Support |
| 405 | 5304519247 Frigidaire Base Assembly |
| 406 | 5304519248 Frigidaire Dishwasher Foot |
| 407 | 5304519249 Frigidaire Dishwasher Bracket |
| 408 | 5304519250 Frigidaire Support Assembly |
| 409 | 5304519251 Frigidaire Holder |
| 410 | 5304519296 Frigidaire Dishwasher Switch |
| 411 | 5304519252 Frigidaire Dishwasher Valve |
| 412 | 5304519253 Frigidaire Dishwasher Block |
| 413 | HOUSING, MAIN BOARD |
| 414 | 5304522080 Frigidaire Dishwasher PCB Board |
| 415 | COVER, MAIN BOARD |
| 416 | BOX, JUNCTION A |
| 417 | 5304516664 Frigidaire Dishwasher Box |
| 418 | SHIELD, ANTI-NOISE |
| 419 | TOE PLATE, ADJUSTABLE |
| 420 | 5304519258 Frigidaire Nut |
| 421 | 5304516636 Frigidaire Dishwasher Gasket |
| 422 | 5304519259 Frigidaire Dishwasher Tubing |
| 423 | 5304516654 Frigidaire Float |
| 424 | DRAIN HOSE, ASSEMBLY |
| 425 | 5304516666 Frigidaire Dishwasher Switch |
| 426 | CABLE, DOOR HINGE |
| 427 | SPRING ASSEMBLY, DOOR HINGE |
| 428 | 5304519263 Frigidaire Screw |
| 704 | CLAMP, HOSE |
| 705 | 5304523308 Frigidaire Dishwasher Clamp |
| 707 | 5304519928 Frigidaire Dishwasher Kickplate |