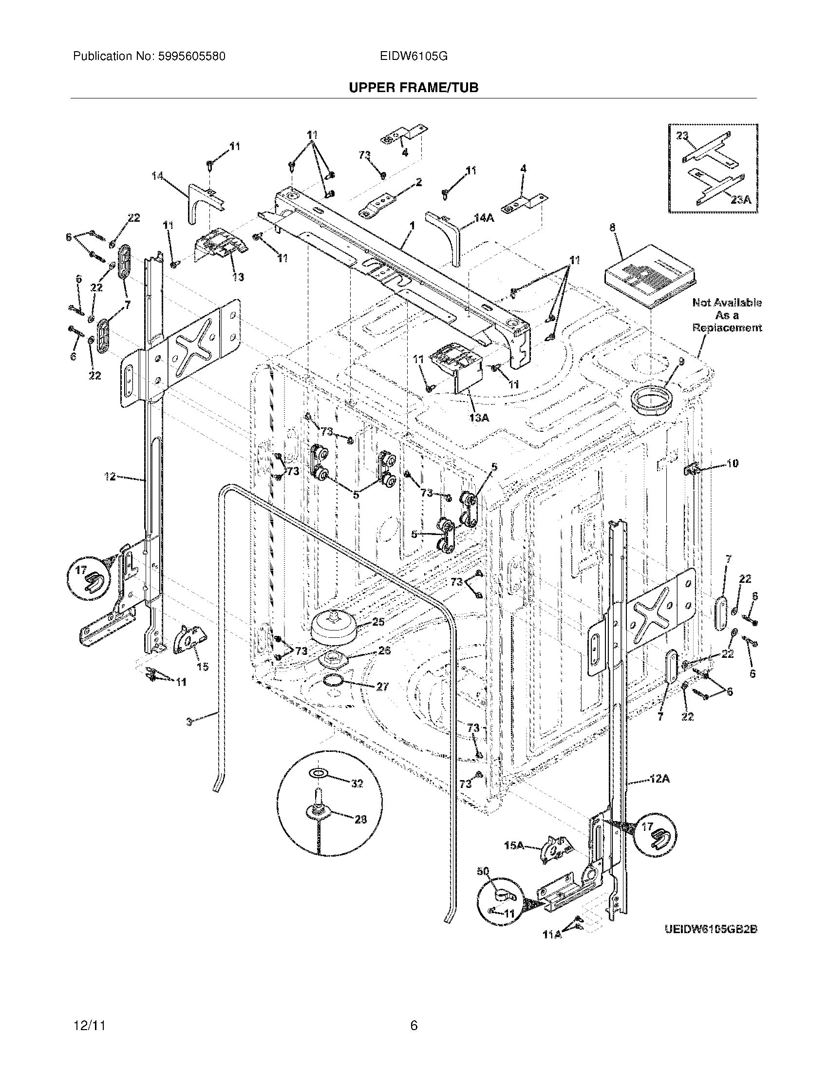
EIDW6105GW2B 07 – UPPER FRAME/TUBadmin2025-04-26T08:53:37+00:00EIDW6105GW2B 07 – UPPER FRAME/TUB
Products
| Position | Product |
|---|
| NI | 154691601 Frigidaire Dishwasher Cover |
| NI | SEAL, TUB CORNER, LH LOWER |
| NI | CLIP, INSULATION, (2) |
| NI | WCI 154662101 |
| NI | INSULATION, BLANKET |
| NI | 154733001 Frigidaire Dishwasher Seal |
| NI | SCREW, CABINET CLAMP, (2) |
| 1 | BRACE, FRAME, TOP |
| 2 | STRIKE, DOOR LATCH |
| 3 | GASKET, TUB |
| 4 | CLIP, CABINET MTG., TOP MOUNT, (2) |
| 5 | ROLLER ASSEMBLY, TUB, (4), W/GASKET |
| 6 | WCI 154719001 |
| 7 | PLATE, RETAINER, OUTER, (2), TUB ROLLER |
| 8 | VENT ASSEMBLY, UPPER |
| 9 | 154622601 Frigidaire Dishwasher Bezel |
| 10 | CLIP, WIRING HARNESS |
| 11 | SCREW, 6 LOBE RECESS, #8-18 |
| 11A | 154200701 Frigidaire Dishwasher Screw |
| 12 | LEG AND HINGE ASSEMBLY, LEFT HAND, FRONT |
| 12A | LEG AND HINGE ASSEMBLY, RIGHT HAND, FRONT |
| 13A | BRACKET, CABINET CLIP, RH |
| 13 | BRACKET, CABINET CLIP, LH |
| 14 | TRIM, CORNER, LH |
| 14A | TRIM, CORNER, RH |
| 15 | COVER, HINGE ARM, LH |
| 15A | COVER, HINGE ARM, RH |
| 17 | BUSHING, HINGE ARM CABLE, (2) |
| 22 | 5300809968 Frigidaire Dishwasher P-1 Washer |
| 23 | 154654601 Frigidaire Dishwasher Clip |
| 23A | CLIP, CABINET MTG., RH |
| 25 | 154764401 Frigidaire Dishwasher Float |
| 26 | 154506902 Frigidaire Dishwasher Nut |
| 27 | 154677201 Frigidaire Dishwasher Gasket |
| 28 | 154763901 Frigidaire Dishwasher Switch Assembly |
| 32 | 154506801 Frigidaire Dishwasher Washer |
| 50 | 154690101 Frigidaire Clamp |
| 73 | SCREW, 6 LOBE RECESS, #8-32 |