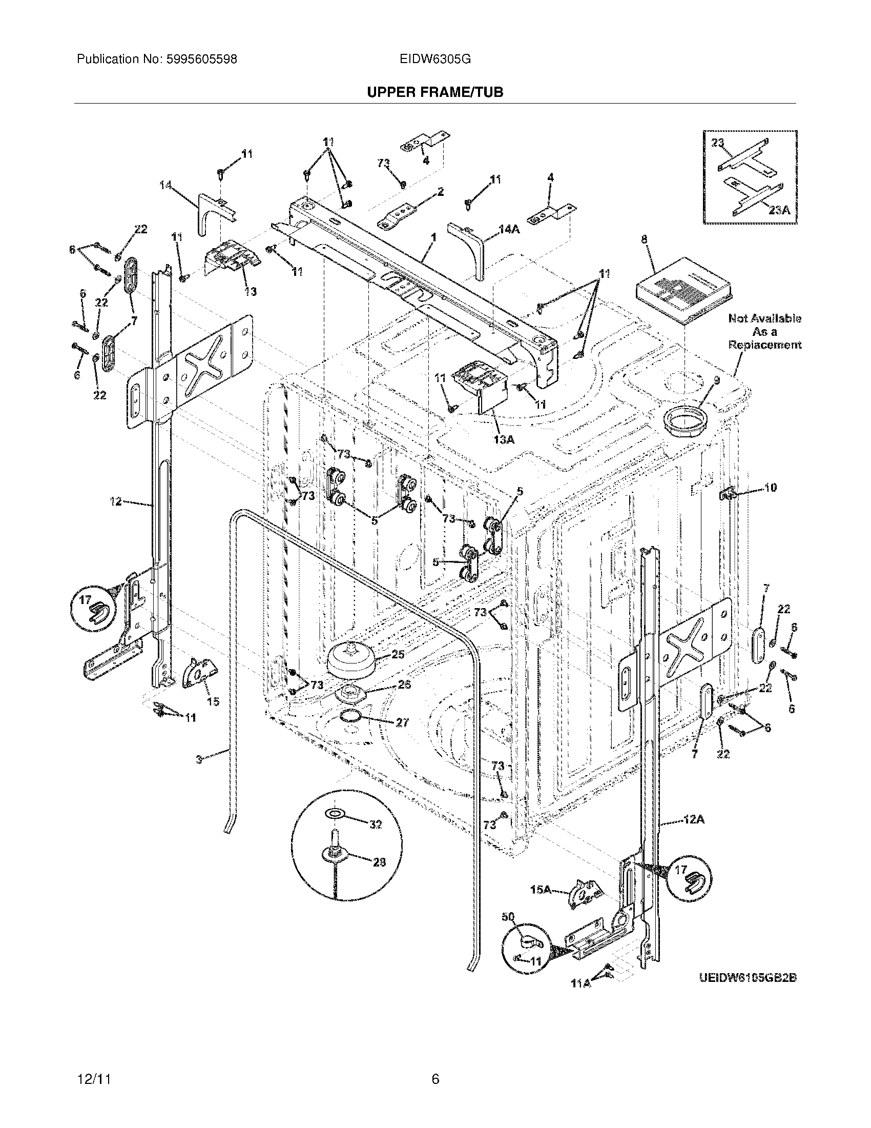
EIDW6305GW2B 07 – UPPER FRAME/TUB