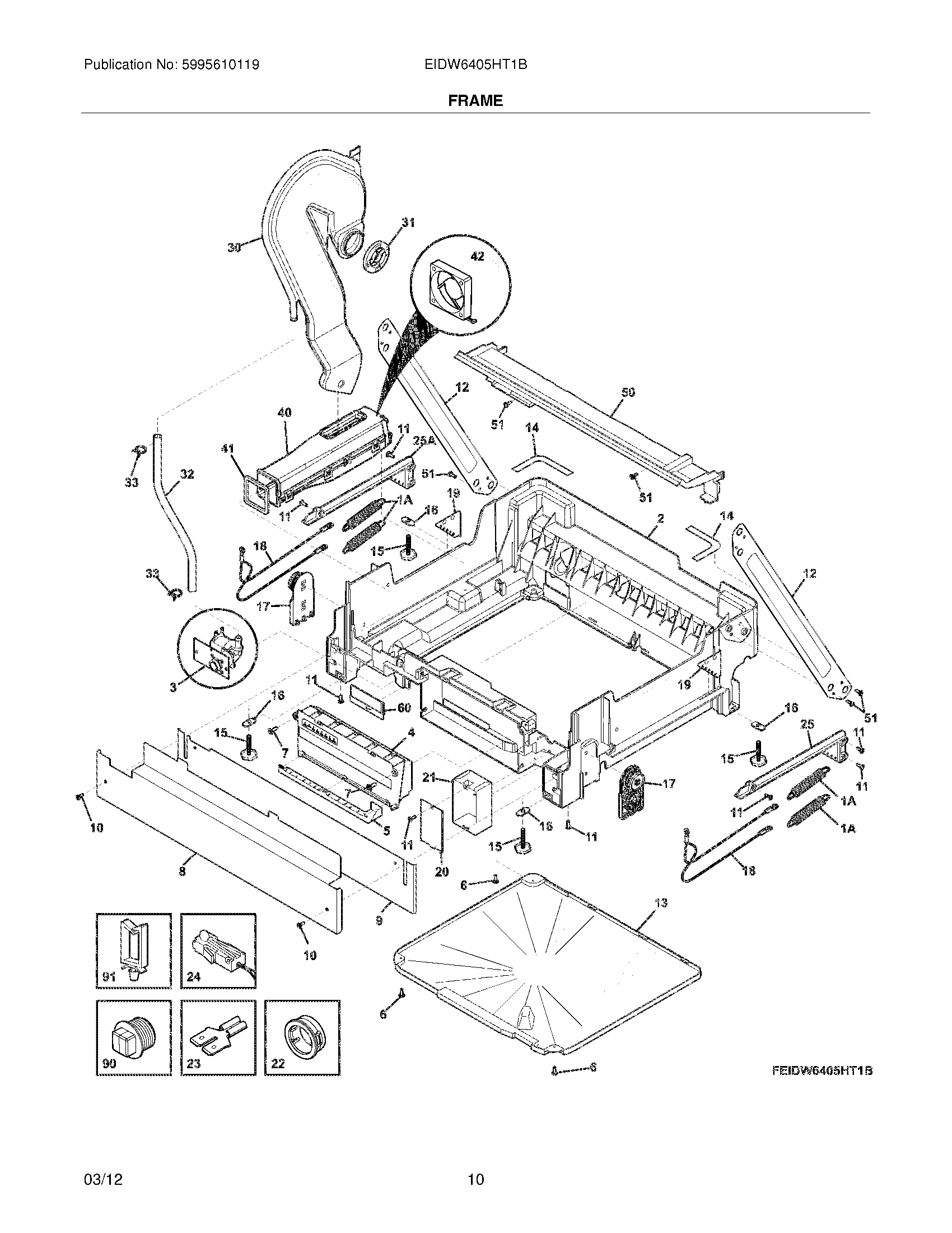
| NI | HARNESS, WIRING, LH SIDE, BASE |
| NI | DEFL |
| NI | HARNESS, WIRING, RH SIDE, BASE |
| NI | SCREW, 6 TRI LOBE, #10 PH, (2) |
| 1A | WCI 154696901 |
| 2 | BASE, FRAME MOUNTING |
| 3 | VALVE ASSEMBLY, WATER |
| 4 | 154750502 Frigidaire Dishwasher Electronic Printed Circuit Control Board |
| 5 | BRACKET, CONTROL HOUSING |
| 6 | 154294701 Frigidaire Dishwasher Screw |
| 7 | SCREW, 6 LOBE RECESS, #10 HI LO |
| 8 | WCI 154658003 |
| 9 | WCI 154679303 |
| 10 | WCI 154371304 |
| 11 | SCREW, 6 LOBE RECESS, #8-18 |
| 12 | FRAME, DIAGONAL, LEG, (2) |
| 13 | TRAY, BASE, W/LABEL |
| 14 | TAPE, CONNECTION, (2), BASE TO TUB |
| 15 | 5304506540 Frigidaire Dishwasher Leg Assembly |
| 16 | PLATE, MOUNTING, (4), LEVELING LEG |
| 17 | BRACKET ASSEMBLY, PULLEY, (2) |
| 18 | WCI 154697101 |
| 19 | PLATE, ADJUSTMENT, (2), DOOR SPRING |
| 20 | COVER, JUNCTION BOX, W/LABEL |
| 21 | BOX, JUNCTION |
| 22 | GROMMET, ELECTRICAL |
| 23 | CONNECTOR, GROUND, 1 FEMALE, TO 2 MALE |
| 24 | LIGHT ASSEMBLY, CLEANING |
| 25A | WCI 154696701 |
| 25 | WCI 154696601 |
| 30 | 154617901 Frigidaire Dishwasher Duct Assembly |
| 31 | COVER, DRYING INLET |
| 32 | 154625001 Frigidaire Dishwasher Tubing |
| 33 | CLAMP, HOSE |
| 40 | DUCT ASSEMBLY, LOWER DRYING, W/MOTOR |
| 41 | GASKET, DRYING DUCT, LOWER |
| 42 | MOTOR, DRYING |
| 50 | ADAPTOR PLATE, ASSEMBLY, W/SHIELD |
| 51 | 154518001 Frigidaire Refrigerator Screw |
| 60 | COVER, VALVE SERVICE |
| 90 | PLUG, WATER VALVE |
| 91 | CLIP, WIRING |