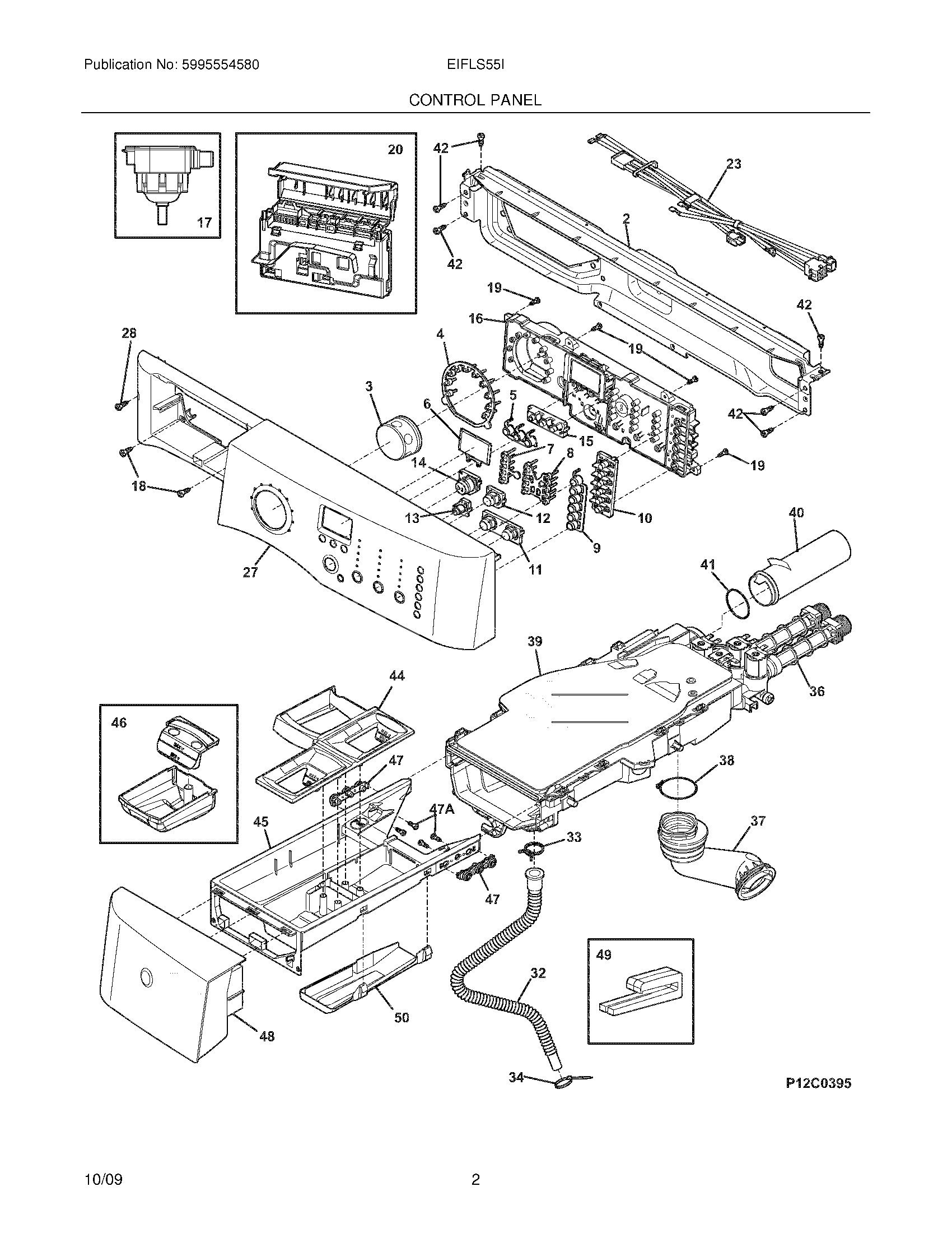
EIFLS55IIW0 03 – CONTROL PANEL