EIFLS55IMB1 02 – CONTROL PANELadmin2025-04-26T08:52:05+00:00EIFLS55IMB1 02 – CONTROL PANEL
Products
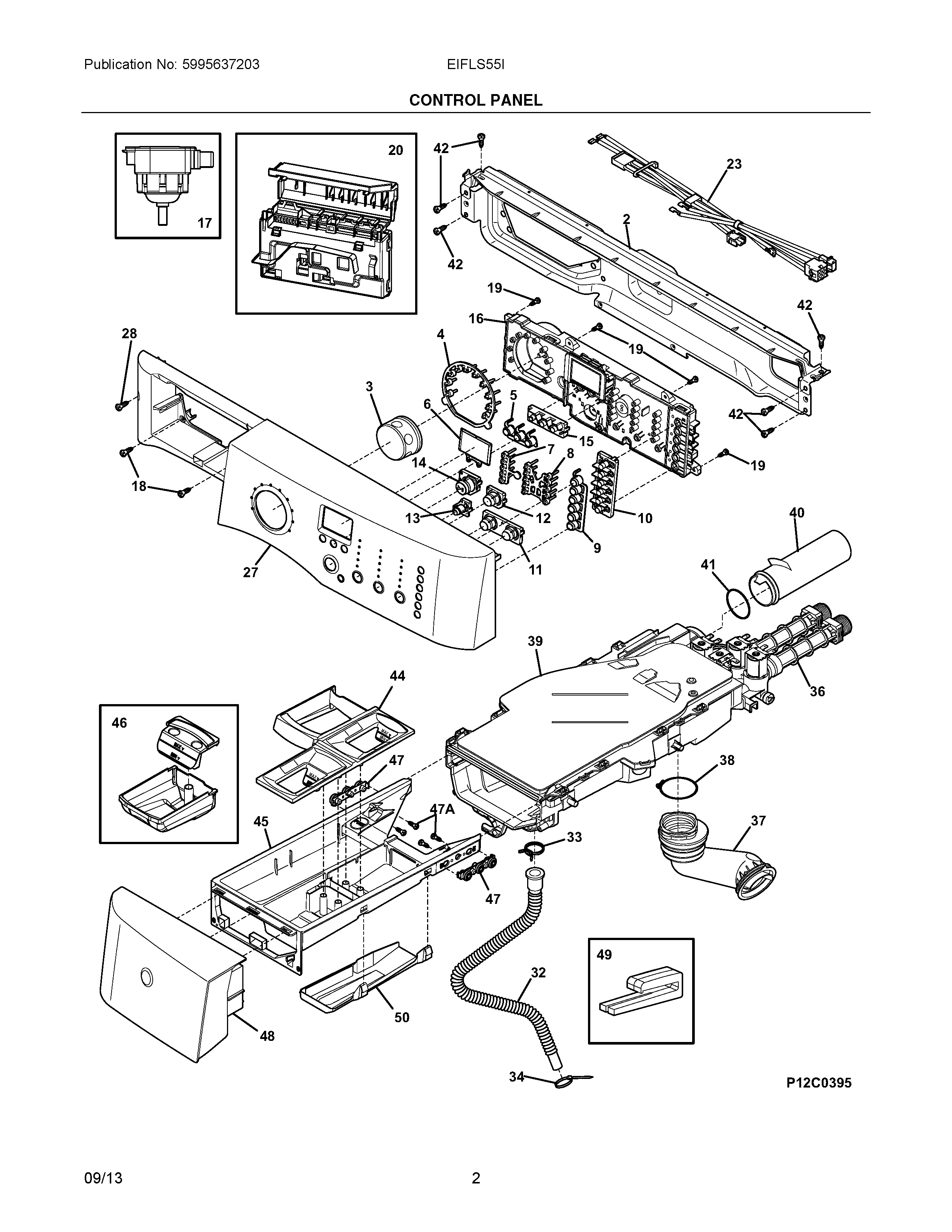
| Position | Product |
|---|
| NIA | 134178901 Frigidaire Screw |
| NIA | 134371300 DISPENSER TO VALVE GASKET |
| NI | WCI 137022810 |
| 2 | 134887400 Frigidaire Bracket |
| 3 | WCI 134766500 |
| 4 | PIPE, KNOB LIGHT |
| 5 | 134872100 Frigidaire Ring |
| 6 | 134767700 Frigidaire Lens |
| 7 | PIPE, MODIFIER LIGHT, GROUP 1 |
| 8 | PIPE, MODIFIER LIGHT, GROUP 2&3 |
| 9 | RING, OPTION BUTTON, LIGHT |
| 10 | BUTTON, OPTION |
| 11 | BUTTON, MODIFIER, BUTTON 2 & 3 |
| 12 | BUTTON, MODIFIER, BUTTON 1 |
| 13 | 137032000 Frigidaire BUTTON |
| 14 | 137015900 Frigidaire Button |
| 15 | 137031900 Frigidaire Button |
| 16 | 809020008 Frigidaire Ui Board Assembly |
| 17 | 134762010 Frigidaire Washer Switch |
| 18 | 131302800 Frigidaire Drum Vane Screw |
| 19 | 134402900 Frigidaire Screw |
| 20 | 809019911 Frigidaire Control Assembly |
| 23 | WCI 134922900 |
| 27 | WCI 137537615 |
| 28 | 131302901 Frigidaire Screw |
| 32 | 134625500 Frigidaire Hose |
| 33 | 134737300 Frigidaire Clamp |
| 34 | 5304464772 Frigidaire Refrigerator Wire Tie |
| 36 | WATER VALVE W/O THERMISTER |
| 37 | 134625700 Frigidaire Hose |
| 38 | 134372400 Frigidaire Clamp |
| 39 | WCI 137108710 |
| 40 | WCI 134372100 |
| 41 | 134372200 Frigidaire O-Ring |
| 42 | 131168200 Frigidaire Dryer Screw |
| 44 | WCI 134638310 |
| 45 | WCI 134638200 |
| 46 | 137143800 Frigidaire Cup |
| 47 | WCI 134657100 |
| 47A | WCI 134654500 |
| 48 | 137440407 Frigidaire Dispenser Drawer Assembly |
| 49 | 137105200 Frigidaire Guide |
| 50 | WCI 134638400 |