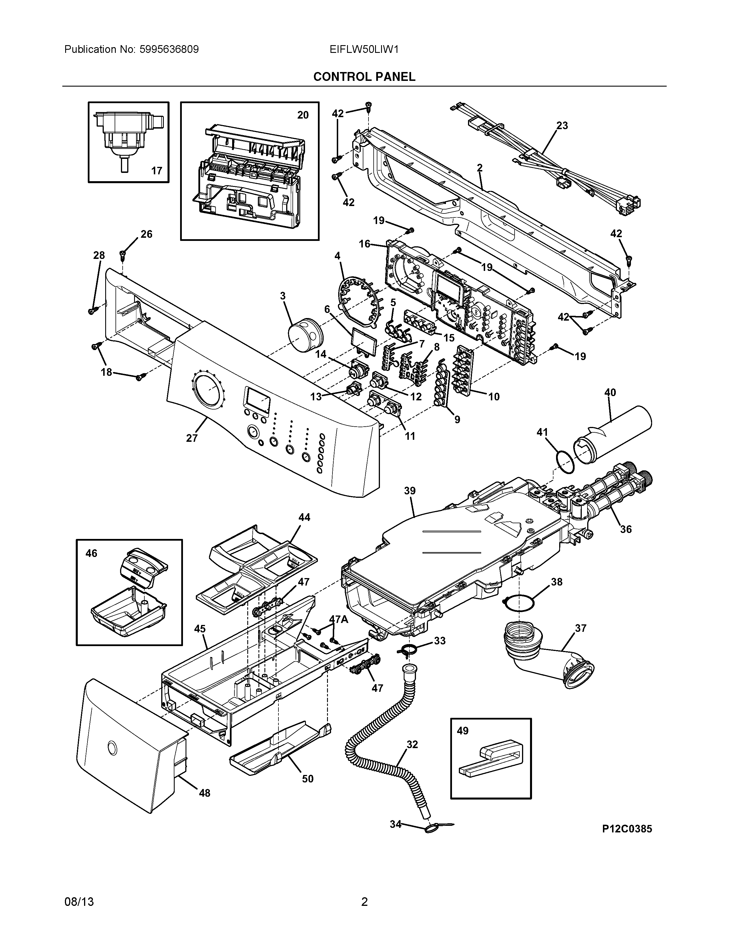
EIFLW50LIW1 02 – CONTROL PANEL