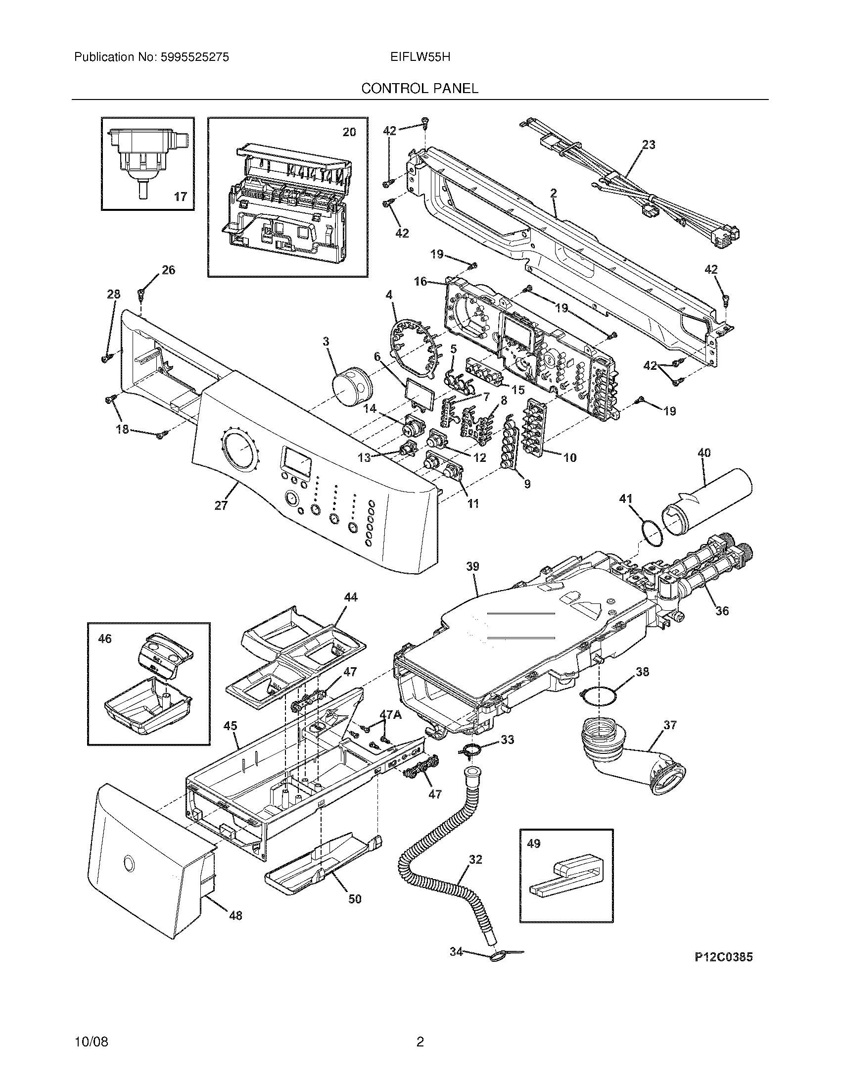
EIFLW55HMB0 03 – CONTROL PANELadmin2025-04-26T08:52:00+00:00EIFLW55HMB0 03 – CONTROL PANEL ProductsPositionProductNI134371300 DISPENSER TO VALVE GASKETNIWCI 71370228002134887400 Frigidaire Bracket3WCI 71347665004WCI 71349074005134872100 Frigidaire Ring6134767700 Frigidaire Lens7WCI 71348959008WCI 71349022009WCI 713489420010WCI 713703230011WCI 713703220012WCI 713703210013137032000 Frigidaire BUTTON14137015900 Frigidaire Button15137031900 Frigidaire Button16WCI 713499490017134762010 Frigidaire Washer Switch18131302800 Frigidaire Drum Vane Screw19134402900 Frigidaire Screw20134640601 Frigidaire Control23WCI 713492290026131205100 Frigidaire Screw27WCI 713499531528WCI 713130290132134625500 Frigidaire Hose33134737300 Frigidaire Clamp345304464772 Frigidaire Refrigerator Wire Tie36WCI 713463780037134625700 Frigidaire Hose38134372400 Frigidaire Clamp39WCI 713710870040WCI 713437210041134372200 Frigidaire O-Ring42131168200 Frigidaire Dryer Screw44WCI 713463830045WCI 713463820046WCI 713701560047WCI 713465710047AWCI 713465450048137440407 Frigidaire Dispenser Drawer Assembly49137105200 Frigidaire Guide50WCI 7134638400