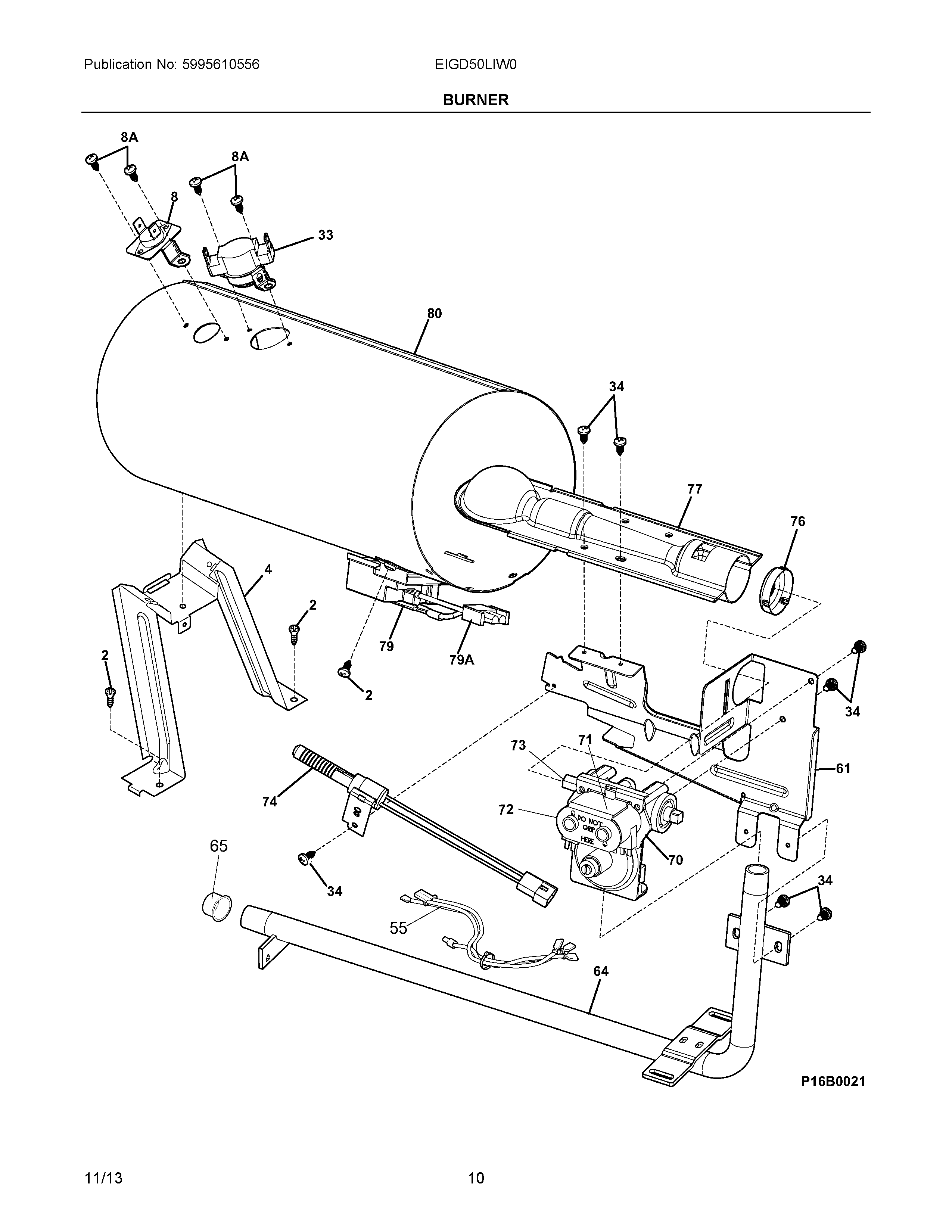
EIGD50LIW0 06 – BURNER