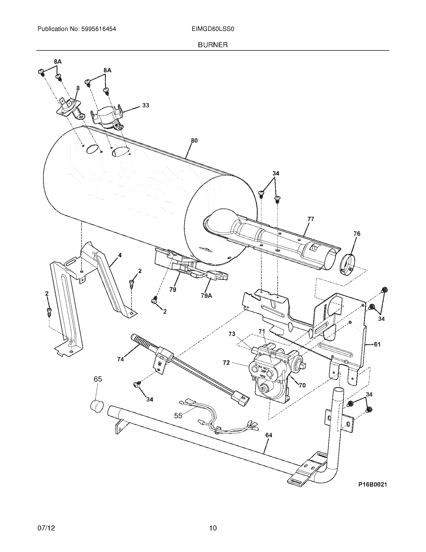
| 2 | 131168200 Frigidaire Dryer Screw |
| 4 | 134713901 Frigidaire Bracket Assembly |
| 8A | 134935200 Frigidaire Screw |
| 8 | 137539200 Frigidaire Dryer Thermal Limiter Fuse Replacement 314°F |
| 33 | 137116700 Frigidaire Washer Thermostat |
| 34 | 131243700 Frigidaire Screw |
| 55 | 137029500 Frigidaire Harness |
| 61 | 134715801 Frigidaire Bracket |
| 64 | 137019000 Frigidaire Pipe |
| 65 | 08015112 Frigidaire CAP |
| 70 | DRYER GAS VALVE |
| 71 | 5303931775 Frigidaire Dryer Coil Kit |
| 73 | 5303207410 Frigidaire Orifice |
| 74 | 5304517325 IGNITOR |
| 76 | 134714401 Frigidaire Collar |
| 77 | 134197700 Frigidaire Burner |
| 79A | 134259100 Frigidaire Harness |
| 79 | 5303281135 Frigidaire Gas Dryer Flame Sensor Radiant |
| 80 | 5304507398 Frigidaire Tube |