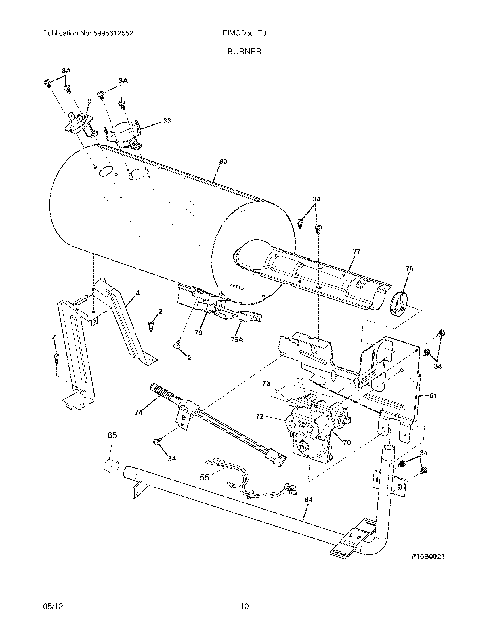
EIMGD60LT0 11 – BURNER