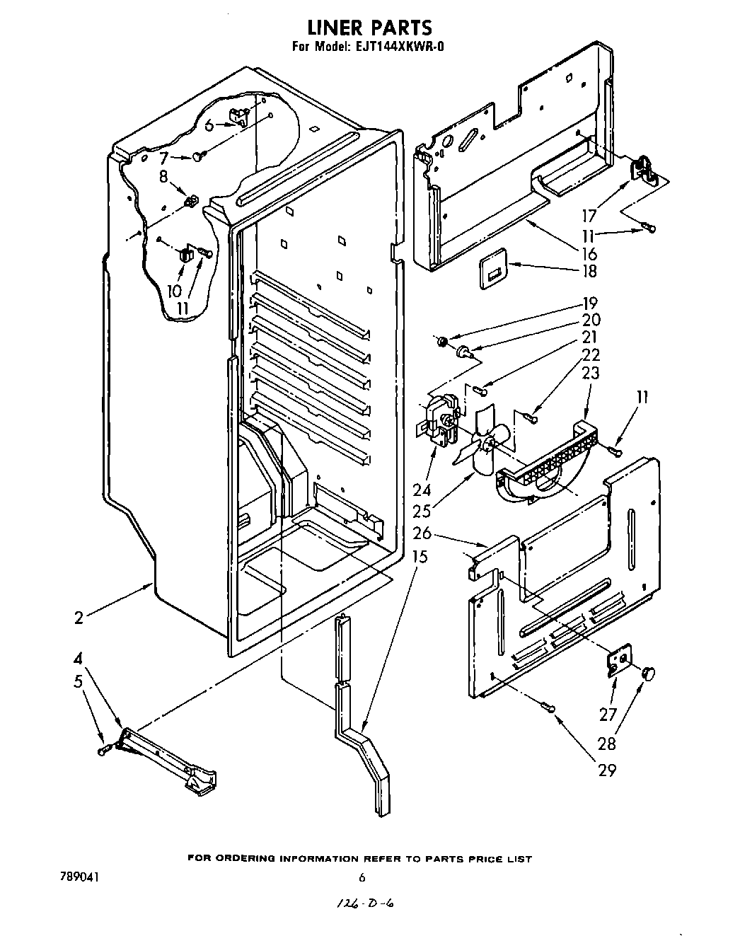
| 2 | Liner (Not A Serviceable Part) |
| 4 | Cover Tube, Bottom |
| 5 | W11693756 Whirlpool Screw Assembly |
| 6 | 4388405 Whirlpool Refrigerator Shelf Stud |
| 7 | WP941839 Whirlpool Refrigerator Button Plug |
| 8 | Stud Hook (2) |
| 10 | Bracket, Wire Receptacles |
| 11 | W11624204 Whirlpool Screw |
| 15 | Cover Tube, Rear |
| 16 | Heat Shield |
| 17 | Evaporator Support (2) |
| 18 | Cover, Air Duct |
| 19 | Grommet |
| 20 | Spacer, Fan Motor (2) |
| 21 | Screw (2) |
| 22 | WP487887 Whirlpool Refrigerator Screw |
| 23 | Fan Scroll |
| 24 | 482731 Whirlpool Refrigerator Evaporator Fan Motor Kit |
| 25 | WP1100938 Whirlpool Refrigerator Fan Blade |
| 26 | Evaporator Cover |
| 27 | Hole Cover |
| 28 | Hole Plug |
| 29 | WP488729 Whirlpool Refrigerator Door Screw |