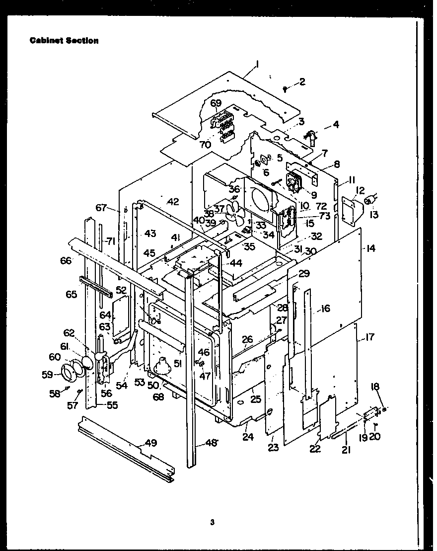
EKD289 01 – CABINET SECTIONadmin2025-04-26T11:23:30+00:00EKD289 01 – CABINET SECTION ProductsPositionProductNIMAY W10124594NIMAY Y0041019NIMAY 0040398NIMAY Y0040349NIMAY Y0040796NIMAY Y0052658NIMAY Y0041017NIMAY 0052885NIMAY Y0040743NIMAY 0040405NIMAY 00526571MAY Y00402863MAY W101246085MAY Y00408816MAY Y00529477MAY Y00978878MAY 00409069MAY Y004222610MAY 004177311MAY Y004035012MAY 004074013MAY 007302814MAY Y004032015MAY Y004079518MAY Y004185319MAY 004099021MAY 004272524MAY Y004075225MAY Y004197627MAY Y004111328MAY W1012460729MAY Y004058632MAY 004083133MAY Y004181634MAY Y004205635MAY Y004204536MAY Y004090539MAY Y004275440MAY 005265341MAY Y004090344MAY Y052850G45MAY Y004078046MAY Y004180847MAY Y006335148MAY 005288149MAY 004257650MAY 004223050MAY Y004240951MAY Y004085052MAY Y004084853MAY Y004074254SEE NOTE GROUND WIRE, GREEN55MAY 005288256MAY Y005209557MAY Y004182558MAY Y004183259MAY 004099560MAY Y004198761MAY 005227662MAY Y004217563MAY Y004274064MAY Y004079865MAY Y004201566MAY Y005266167MAY Y004032168MAY W1012459869MAY Y004204071MAY 005265972MAY Y004219173MAY Y0042064