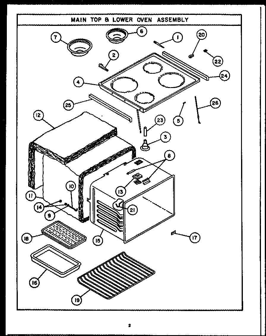
EKD395 04 – Page 7admin2025-04-26T11:24:32+00:00EKD395 04 – Page 7 ProductsPositionProduct1MAY 00915172MAY 00915183MAY Y00633374MAY 51-071077-42-L4MAY W101245914MAY W101245894MAY W101245884MAY W101245905MAY 00716686MAY Y00679887MAY Y00754828MAY 00679729MAY Y007187610MAY Y009153611MAY Y206342305012MAY Y009135613MAY 006798514MAY 007188115MAY 006349816MAY Y001116117MAY Y006335118MAY Y009868219MAY Y006781020MAY 007120321MAY Y009154622MAY Y009660423MAY 006333625MAY Y006345826MAY Y0091542