EL15MNLSW00 03 – LINER, LIT/OPTIONALadmin2025-04-26T09:54:18+00:00EL15MNLSW00 03 – LINER, LIT/OPTIONAL
Products
| Position | Product |
|---|
| 350930 Whirlpool White Spray Paint |
| WPL LIT943633 |
| Paint, Spray (13 Oz.) (Platinum) |
| Toast |
| Golden Harvest |
| 350942 Whirlpool Spray Paint |
| 285006 Whirlpool Spray |
| WPL LIT879777 |
| 350956 Whirlpool Spray Assembly |
| Leveler (Thinner) |
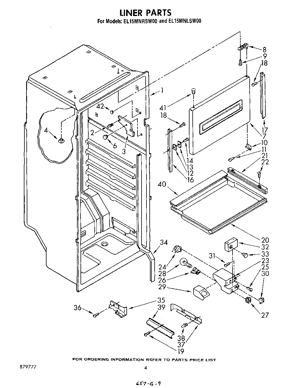
| 1 | Liner (Not A Serviceable Part) |
| 2 | 939962 Whirlpool Refrigerator Rivet |
| 3 | Shield, Electrical |
| 4 | Hole Plug |
| 6 | Grommet, Wiring |
| 7 | Door, Evaporator |
| 8 | Hinge, Evaporator Door |
| 10 | Support, Evaporator Door |
| 12 | Plate, Magnet (2) |
| 13 | Magnet |
| 14 | Screw, 8 x 1-9/16 |
| 16 | Evaporator Door, Baffle Magnet |
| 17 | Evaporator Door, Baffle Side |
| 19 | Screw, 8-15 x 1/2 (4) |
| 20 | Chiller Tray Assembly |
| 21 | Chiller Slide (2) |
| 22 | WP488163 Whirlpool Refrigerator Screw |
| 23 | Box, Control |
| 24 | Thermostat & Barrier Assembly |
| 25 | WP489128 Whirlpool Refrigerator Screw |
| 26 | 4387478 Whirlpool Refrigerator Light Socket |
| 27 | WP938213 Whirlpool Refrigerator Power Switch |
| 28 | W11679940 Whirlpool Refrigerator Light Bulb Assembly |
| 29 | Light Shield |
| 30 | W11384469 Whirlpool Door Switch |
| 31 | WP489069 Whirlpool Compactor Screw |
| 32 | Cover, Control Box |
| 33 | Knob, Control |
| 34 | Cover, Tube (Rear) |
| 35 | Cover Tube, Bottom |
| 36 | screw (repair) |
| 36 | W11693756 Whirlpool Screw Assembly |
| 37 | Wire Cover (Rear) |
| 38 | Rivet, Plastic (2) |
| 39 | Wire Cover (Front) |
| 40 | Damper, Chiller |
| 41 | Hole Plug (2) |
| 42 | 72017 Whirlpool Appliance Touch-Up Paint White |
| 42 | 799344 Whirlpool Refrigerator Paint |
| 42 | WP542638 Whirlpool Refrigerator Grease |
| 42 | WP72107 Whirlpool Touchup |
| 42 | Almond (Uncut) |
| 42 | 72110 Whirlpool Dryer Touch-Up Paint, Golden Harvest 6 Oz |
| 42 | 606755 Whirlpool Refrigerator Bag |
| 42 | 876370 Whirlpool Refrigerator Insulation |
| 42 | WP505587 Whirlpool Refrigerator Sealer |
| 42 | TAPE, VINYL (3/4 X 108``) |
| 42 | CEMENT, ALUMILASTIC (1 1/4 OZ.) |
| 42 | Enamel, Black (1 Qt. Uncut) |
| 42 | WPL 799833 |
| 42 | WPL 876029 |
| 42 | 212643 Whirlpool Refrigerator Permagum Sealer |
| 42 | 72032 Whirlpool Touch Up Paint Black |
| 42 | Hole Plug |
| 42 | WP503695 Whirlpool Refrigerator Sealer |
| 42 | WPL 72112 |
| 42 | Platinum (Uncut) |
| 42 | Enamal, Toast (1 Qt. Uncut) |
| 42 | Golden Harvest (Uncut) |
| 42 | 72113 Whirlpool Touch-Up Paint |
| 42 | 511873 Whirlpool Refrigerator Paint |