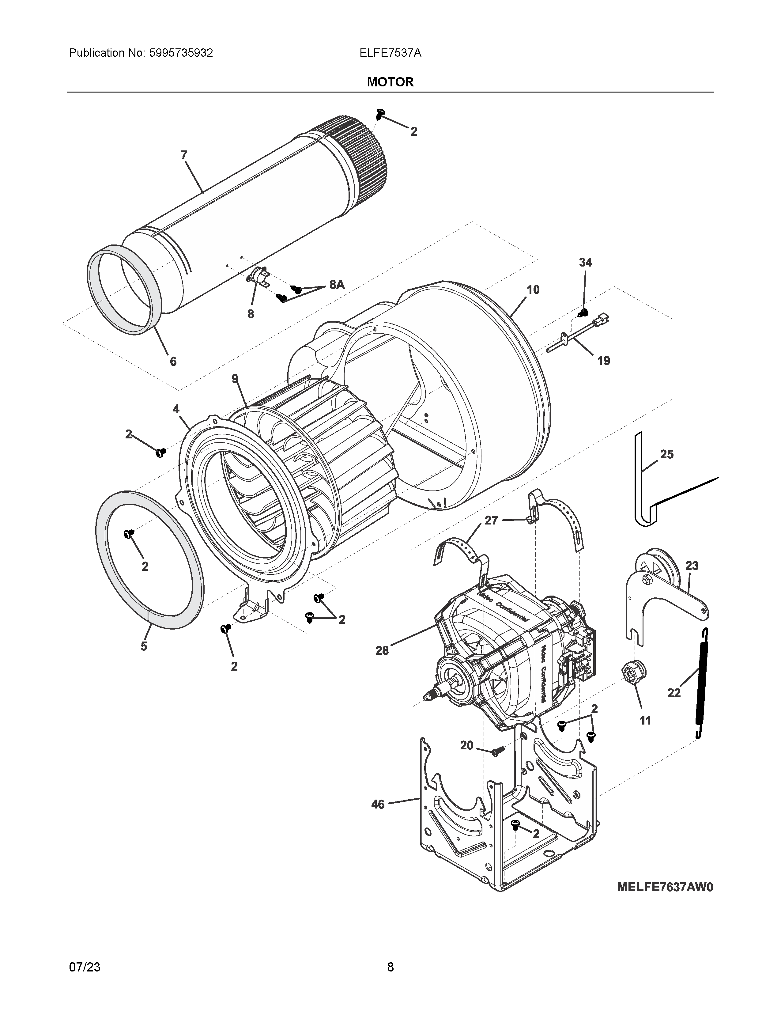
ELFE7537AW1 05 – MOTOR