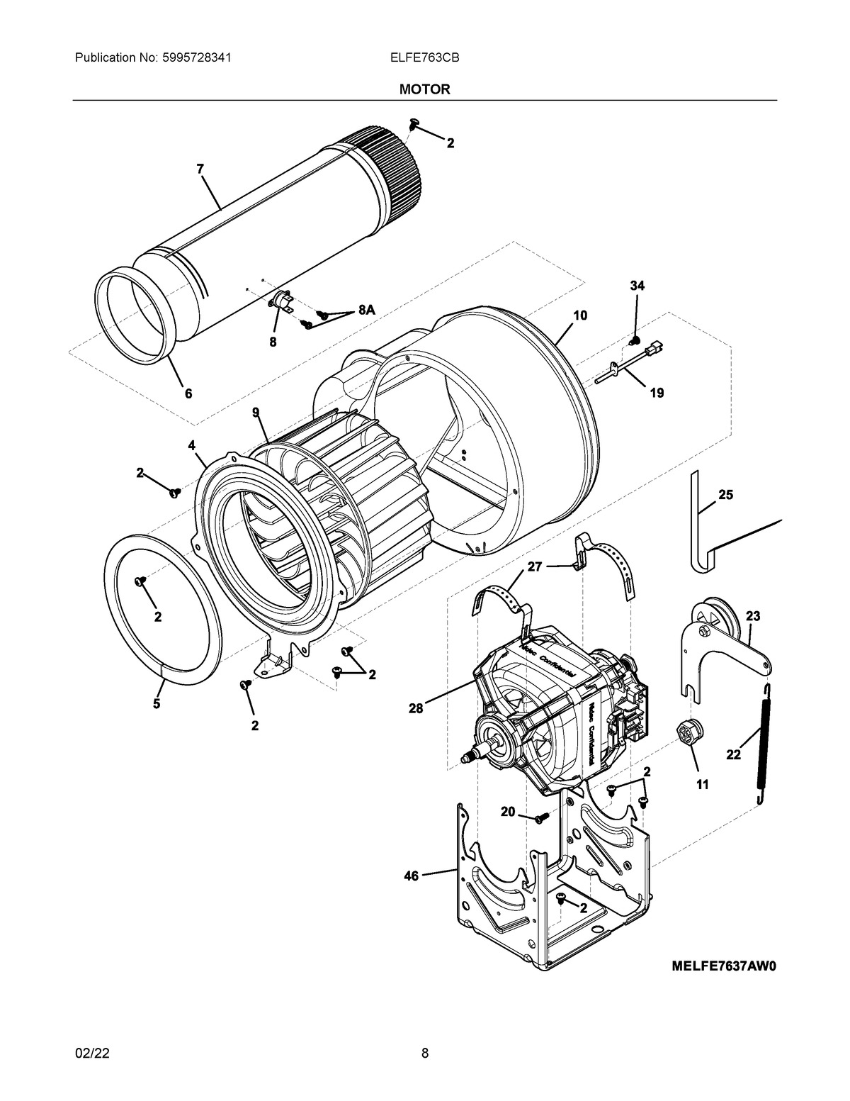
ELFE763CBW0 05 – MOTOR