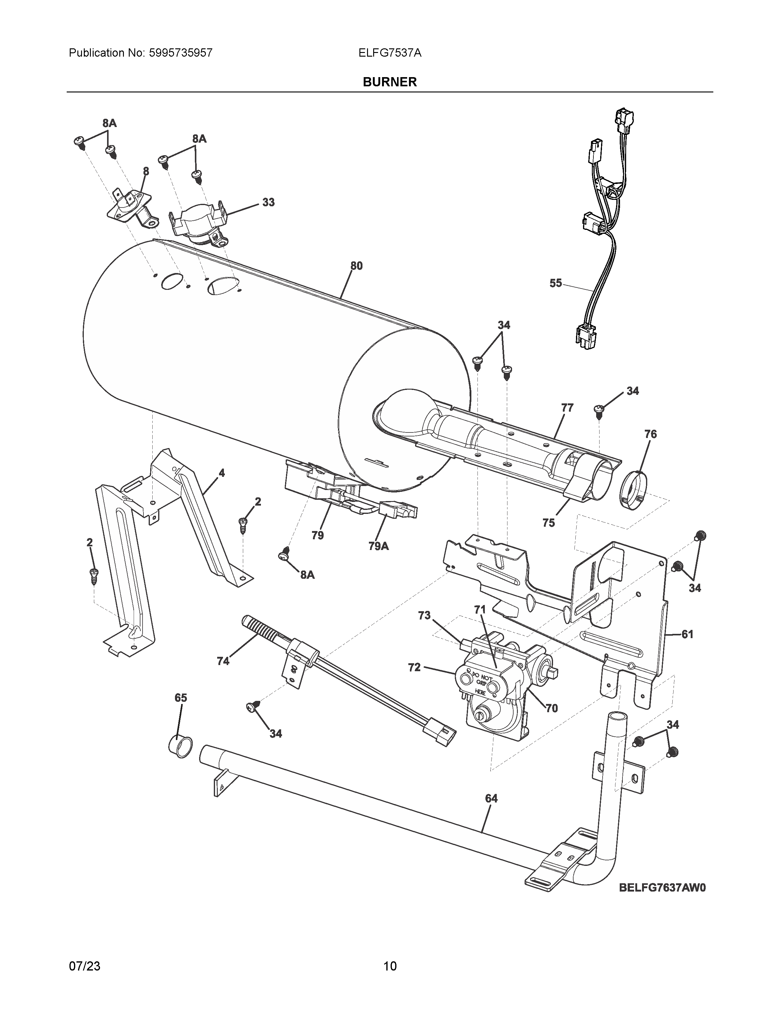
ELFG7537AT1 06 – BURNER