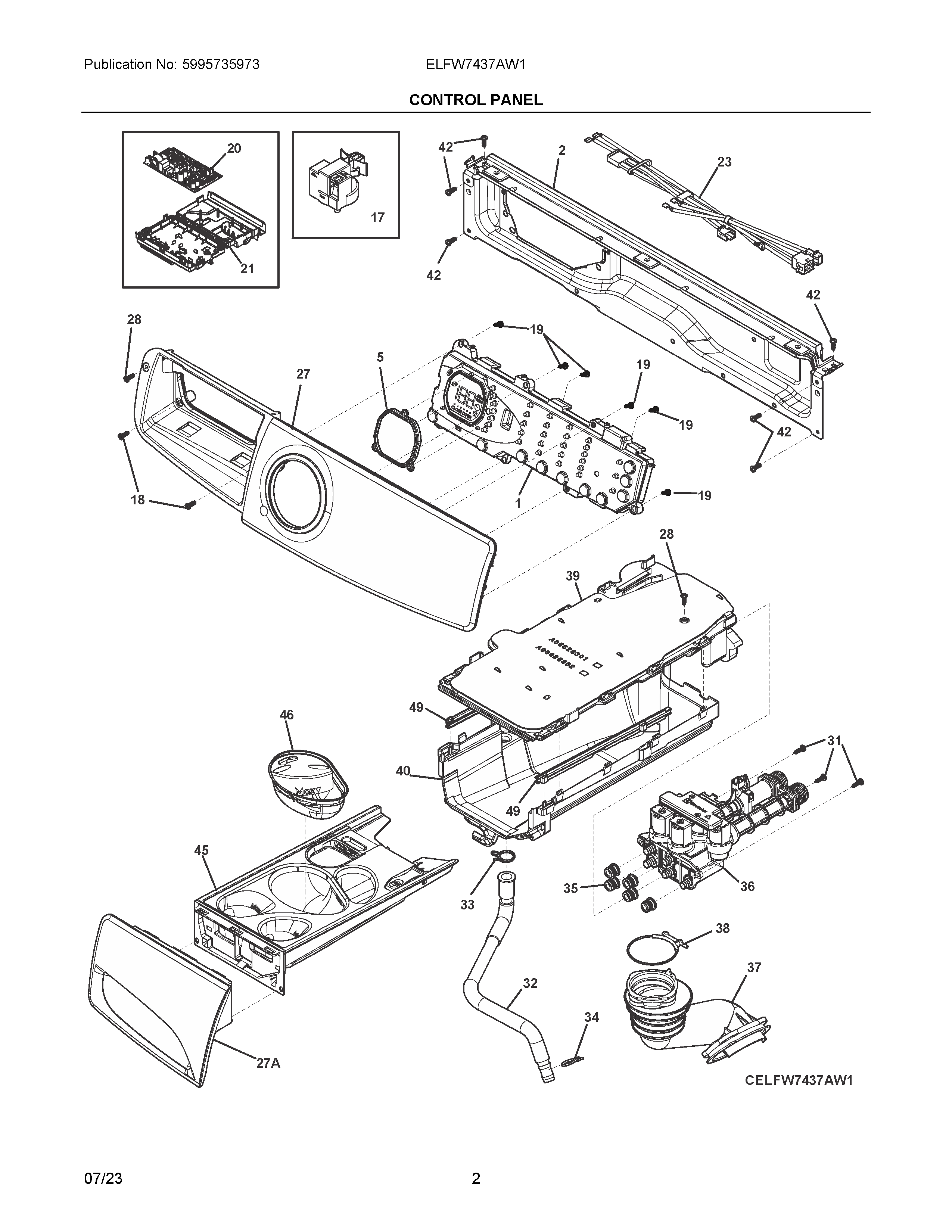
ELFW7437AW1 02 – CONTROL PANELadmin2025-04-26T08:52:15+00:00ELFW7437AW1 02 – CONTROL PANEL ProductsPositionProductNI5304528020 Frigidaire Cable TieNIA134629400 Frigidaire ScrewNIA5304510114 Frigidaire CableNIA5304529693 Frigidaire GasketNIA134407900 Frigidaire Dampener15304529902 Frigidaire Board Assembly25304505086 Frigidaire Bracket55304505345 Frigidaire Seal17SENSOR SWITCH18131302800 Frigidaire Drum Vane Screw195304505441 Frigidaire Screw205304534274 Frigidaire Main Board21HOUSING, CONTROL BOARD, MAIN23HARNESS27A5304529901 Frigidaire Handle Assembly27CONSOLE ASSEMBLY, W/OVERLAY28131205100 Frigidaire Screw315304514820 Frigidaire Screw32134625500 Frigidaire Hose33134737300 Frigidaire Clamp345304464772 Frigidaire Refrigerator Wire Tie35134371300 DISPENSER TO VALVE GASKET365304528029 Frigidaire Valve Assembly Vortex with Flow Meter37134625700 Frigidaire Hose38134372400 Frigidaire Clamp395304514794 Frigidaire Washer Conveyor405304514782 Frigidaire Washer Housing42131168200 Frigidaire Dryer Screw455304514792 Frigidaire Drawer Dispenser465304514801 Frigidaire Cup Assembly495304514781 Frigidaire Slider Assembly