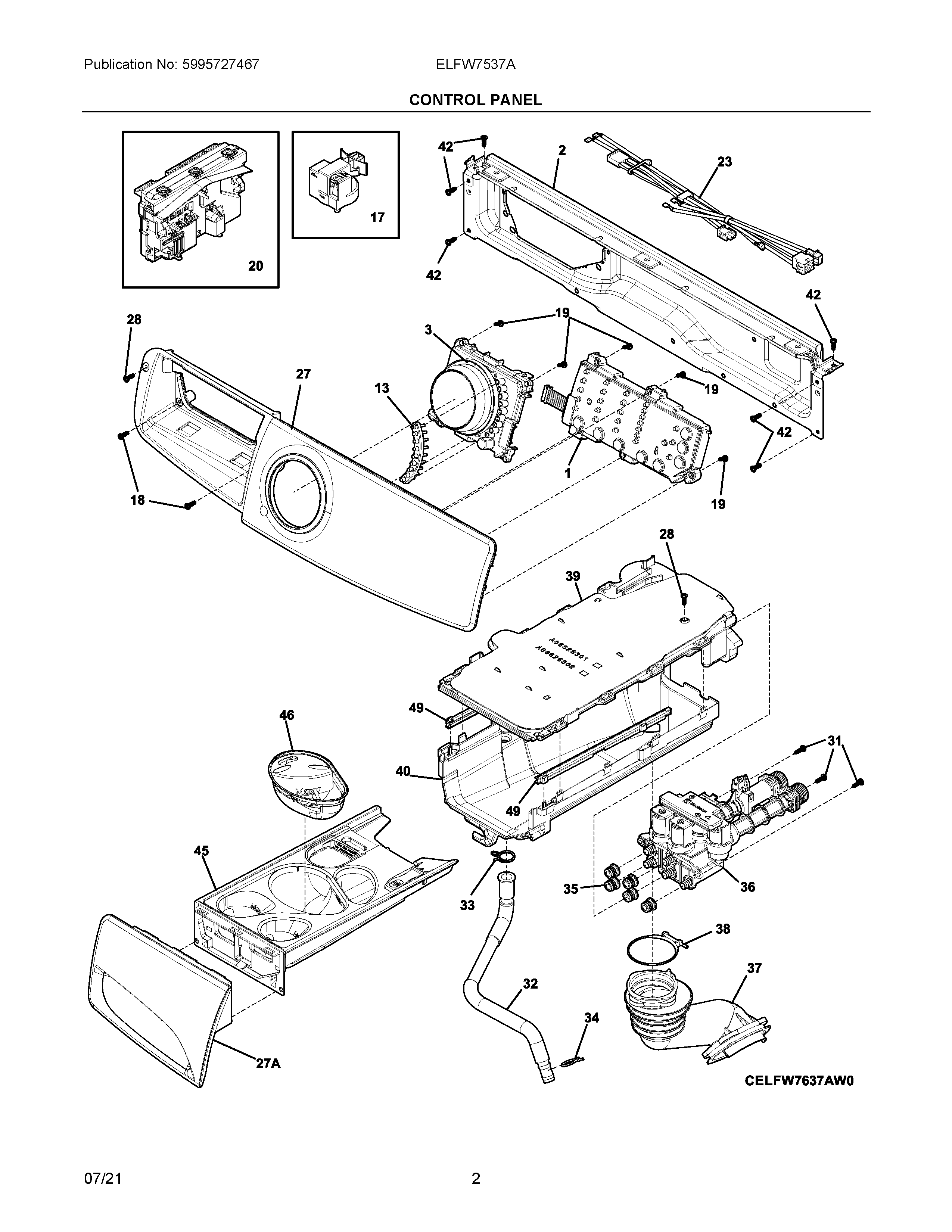
ELFW7537AW0 02 – CONTROL PANEL