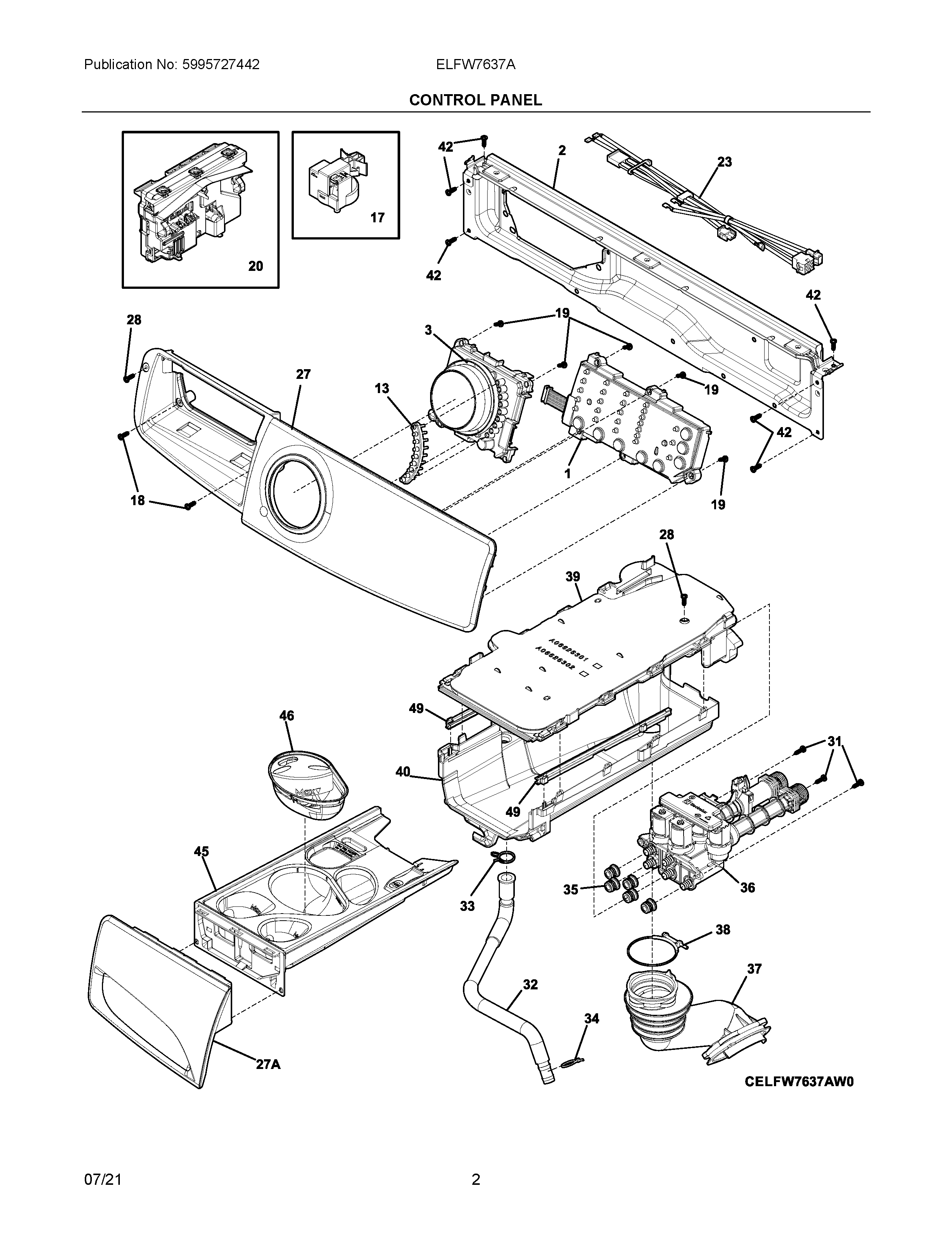
ELFW7637AW0 02 – CONTROL PANELadmin2025-04-26T08:52:37+00:00ELFW7637AW0 02 – CONTROL PANEL ProductsPositionProductNIA5304529693 Frigidaire GasketNI5304528020 Frigidaire Cable TieNIA5304510114 Frigidaire CableNIA134407900 Frigidaire DampenerNIA134629400 Frigidaire Screw15304529484 Frigidaire Board Assembly25304505086 Frigidaire Bracket35304529826 Frigidaire Knob Assembly135304529751 Frigidaire Diffuser17SENSOR SWITCH18131302800 Frigidaire Drum Vane Screw195304505441 Frigidaire Screw205304529891 Frigidaire Main Board235304522537 Frigidaire Harness275304529888 Frigidaire Console Assembly27A5304529889 Frigidaire Handle Assembly28131205100 Frigidaire Screw315304514820 Frigidaire Screw32134625500 Frigidaire Hose33134737300 Frigidaire Clamp345304464772 Frigidaire Refrigerator Wire Tie35134371300 DISPENSER TO VALVE GASKET365304528029 Frigidaire Valve Assembly Vortex with Flow Meter37134625700 Frigidaire Hose38134372400 Frigidaire Clamp395304514794 Frigidaire Washer Conveyor405304514782 Frigidaire Washer Housing42131168200 Frigidaire Dryer Screw455304514792 Frigidaire Drawer Dispenser465304514801 Frigidaire Cup Assembly495304514781 Frigidaire Slider Assembly