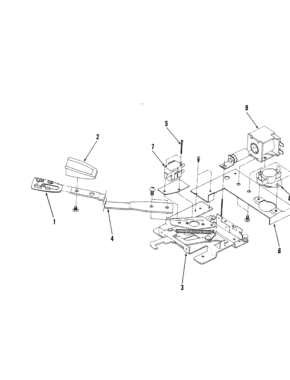
EPE7 04 – DOOR LOCK ASSEMBLYadmin2025-04-26T11:57:46+00:00EPE7 04 – DOOR LOCK ASSEMBLY ProductsPositionProduct1MAY 7112P003-601MAY 8007P005-601MAY 8007P002-602MAY 7701P003-603MAY 8002P003-604MAY 8009E0055MAY 01122435MAY 19863226MAY 08624767MAY 7403P007-608MAY 7403P093-609MAY 7403P022-60