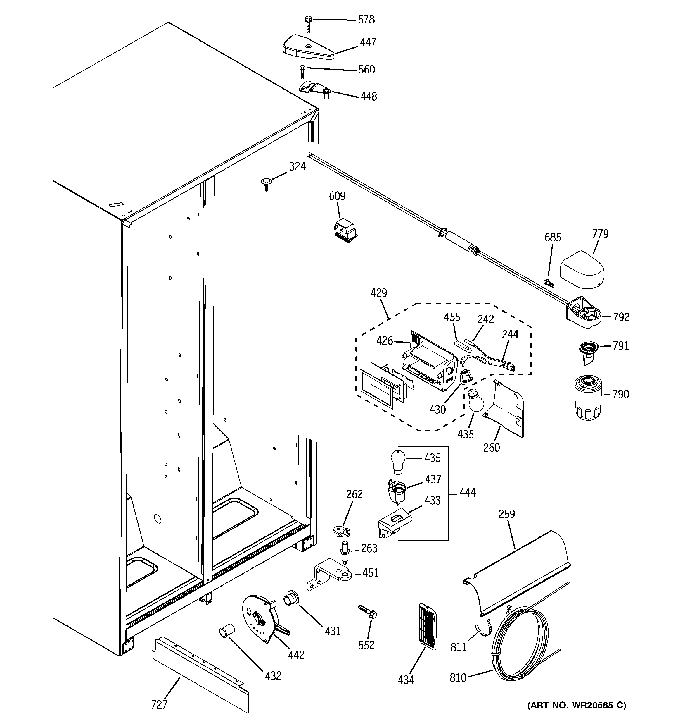
ESH22JFXJWW FRESH FOOD SECTION