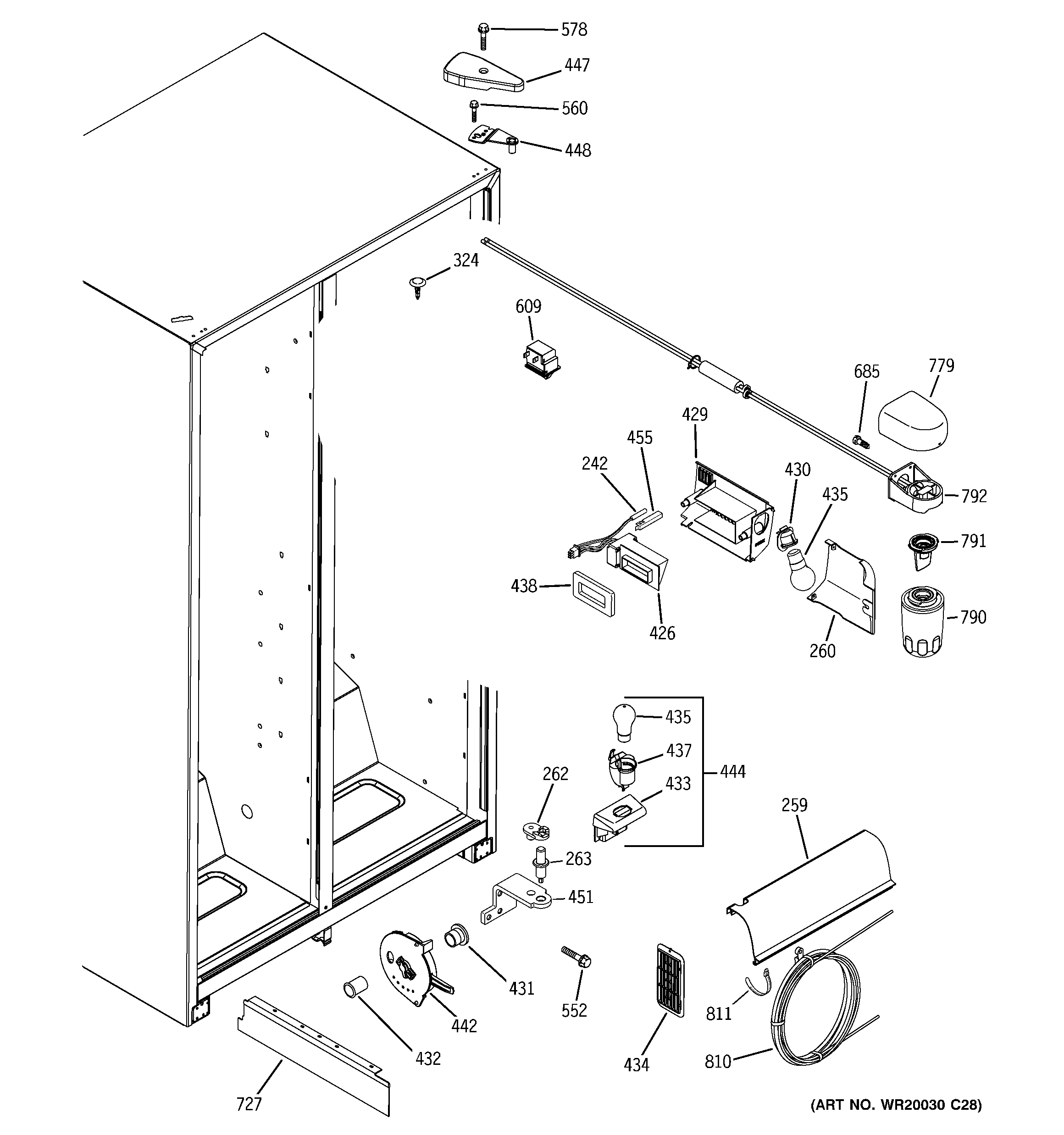
ESL25JFWDBS FRESH FOOD SECTION