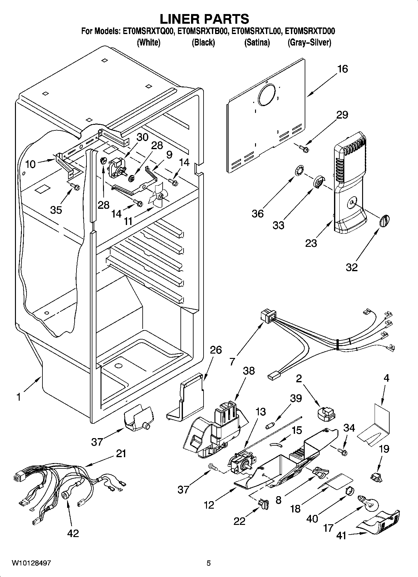
ET0MSRXTB00 03 – LINER PARTS