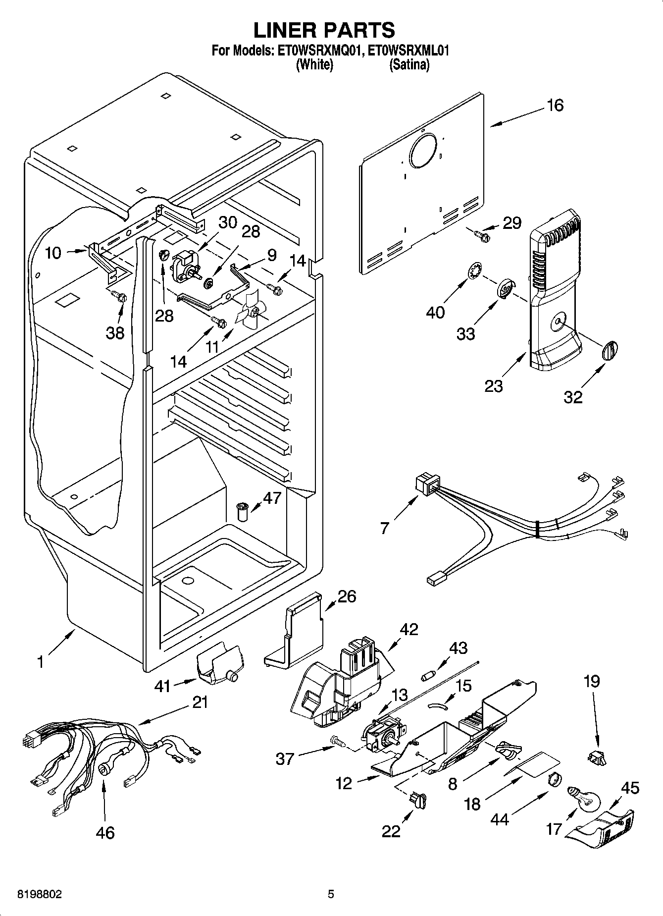
ET0WSRXML01 03 – LINER PARTSadmin2025-04-26T11:08:12+00:00ET0WSRXML01 03 – LINER PARTS ProductsPositionProduct1Liner (Not A Serviceable Part)7Wire Assembly Control Box84387478 Whirlpool Refrigerator Light Socket9WPW10180172 Whirlpool Refrigerator Bracket10Fan Mounting Bracket11WP2163777 Whirlpool Refrigerator Fan Blade12Control Box13WP2211031 Whirlpool Refrigerator Thermostat14WP489399 Whirlpool Refrigerator Screw15WP2196003 Whirlpool Refrigerator Bar Riser16Cover, Evaporator17W11679940 Whirlpool Refrigerator Light Bulb Assembly182210832 Whirlpool Refrigerator Light Lens19W11384469 Whirlpool Door Switch21Wiring, Freezer22Control Knob23Air Tower26Air Diffuser, Rear28WP2264462 Whirlpool Refrigerator Grommet29WP489478 Whirlpool Refrigerator Screw30WPW10189703 Whirlpool Refrigerator Evaporator Fan Motor322211237 Whirlpool Refrigerator Thermal Knob33Damper, Freezer Control37WP487353 Whirlpool Refrigerator Screw38WP489442 Whirlpool Refrigerator Screw402211239 Whirlpool Refrigerator Nut41Drain Cup42Air Diffuser (Front)43Weight, Thermal44WP2175210 Whirlpool Refrigerator Shroud45Cover, Light46WP2211224 Whirlpool Refrigerator Bi-Metal Defrost Thermostat47WP2210509 Whirlpool Refrigerator Tub Valve