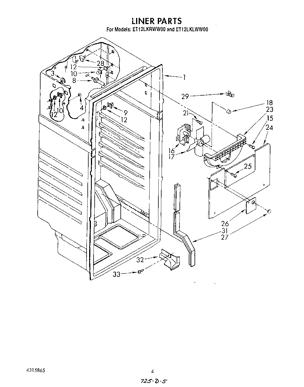
| 1 | Liner (Not A Serviceable Part) |
| 3 | Hole Plug (2) |
| 4 | WP941839 Whirlpool Refrigerator Button Plug |
| 8 | Stud, Evaporator |
| 9 | Stud, Front R.S. |
| 10 | 819091 Whirlpool Refrigerator Shelf Stud |
| 12 | Stud, Support |
| 15 | WP489478 Whirlpool Refrigerator Screw |
| 15 | SCREW |
| 16 | Motor, Fan |
| 17 | Blade, Fan |
| 18 | Ring, Compression |
| 21 | Screw, 8 x 1-1/4 (2) |
| 23 | Scroll, Fan |
| 24 | Evaporator Cover |
| 26 | WP2217784 Whirlpool Refrigerator Cover |
| 27 | Hole Plug |
| 28 | 4388405 Whirlpool Refrigerator Shelf Stud |
| 29 | Clip, Ground |
| 31 | Cover Tube, Rear |
| 32 | Cover Tube, Bottom |
| 33 | WP488729 Whirlpool Refrigerator Door Screw |