ET16JK1MWR1 02 – CABINET

ET16JK1MWR1 02 – CABINET

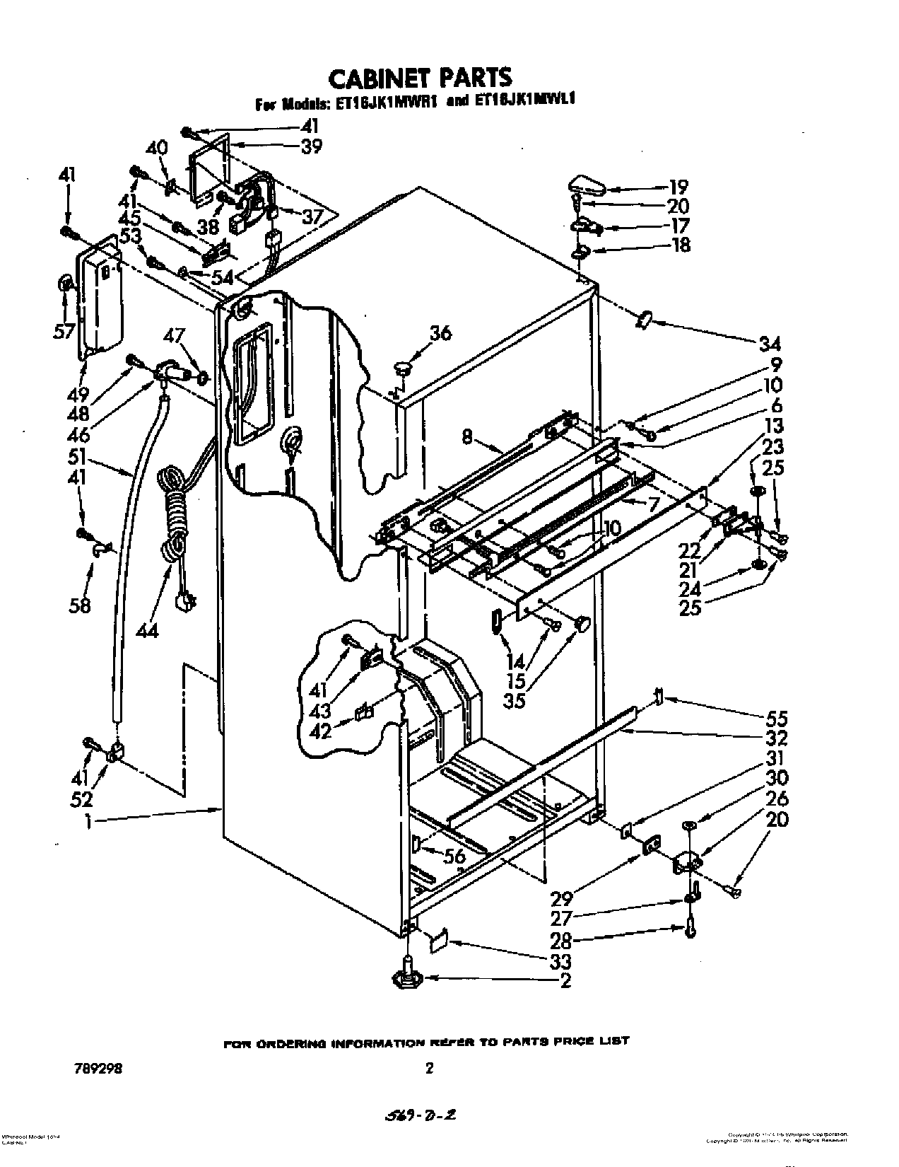
Products

PositionProduct
1Cabinet (Not A Serviceable Part)
2Leveler (2)
6Frame, Center Rail
7Heater, Mullion
8Center Rail, Bracket
9Ferrule, Center Rail
10Screw, 8-32 x 1/2
13Center Rail (Platinum)
13Center Rail (White)
13Center Rail (Golden Harvest)
13Center Rail (Almond)
13Center Rail (Toast)
14Filler, Center Rail (2) (White)
14Filler, Center Rail (2) (Golden Harvest)
14Filler, Center Rail (2) (Platinum)
14Filler, Center Rail (2) (Almond)
14Filler, Center Rail (2) (Toast)
15Screw, 10-32 x 3/8
17Shim, Hinge Top
18Shim, Hinge
191119787 Whirlpool Refrigerator Hinge Cover
19Hinge Cover (Golden Harvest)
19Hinge Cover (Toast)
20Screw (Repair)
21Hinge, Center
22Shim, Hinge Center
24WP488296 Whirlpool Washer Refrigerator
25WP999367 Whirlpool Refrigerator Screw
26Hinge Butt, Bottom
27Hinge Pin, Bottom
28Screw 10-32 x 5/16
29Shim, Bottom Hinge (
29WPL 1100779
29WPL 1100781
29WPL 1100783
29WPL 1100784
30WP487802 Whirlpool Refrigerator Washer
31Cover, Glider Rail (Almond)
31Cover, Glider Rail (Golden Harvest)
31Cover, Glider Rail (White)
31Cover, Glider Rail (Platinum)
31Cover, Glider Rail (Toast)
32WPL 1100667
32WPL 942727
32WPL 942725
32Cover, Deck Rail (Toast)
32Cover, Deck Rail (W
33Cover, Gl
33WPL 1100682
33WPL 943552
33WPL 944833
33WPL 944831
34WPL 942809
34WPL 942811
34WPL 1100683
34WPL 1100684
34WPL 942807
35Hole Plug (2) (Almond)
35Hole Plug (2) (Golden Harvest)
35Hole Plug (2) (Toast)
35Hole Plug (2)
35Hole Plug (2) (Platinum)
36Hole Plug (2) (White)
36Hole Plug (3) (Toast)
36Hole Plug (2) (Golden Harvest)
36Hole Plug (2) (Almond)
36Hole Plug (3) (Platinum)
37WPL 942844
38WP250830 Whirlpool Refrigerator Screw
39WPL 942845
40WPL 944741
41W11624204 Whirlpool Screw
42W10812038 Whirlpool Refrigerator Clip
43549193 Whirlpool Refrigerator Power Clamp
44Cord, Service
45Clamp
46WPL 942813
47Gasket, Seal
48WP98165 Whirlpool Screw
49WPL 942853
518316810 Whirlpool Refrigerator Drain Tube
52WPL 519405
53WP489069 Whirlpool Compactor Screw
54940014 Whirlpool Refrigerator Primary Button Plug
55WPL 944701
55WPL 944703
55WPL 1100672
55WPL 1100671
55WPL 944700
56WPL 1100674
56WPL 1100673
56WPL 944705
56WPL 944706
56WPL 944708
57WPL 655411
58WPL 1103015