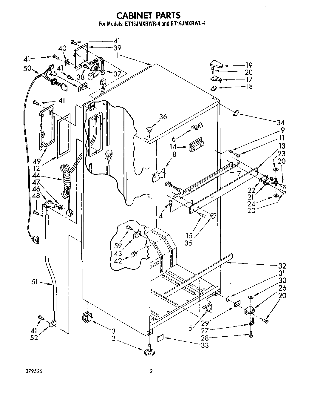
ET16JMXRWR4 02 – CABINET

ET16JMXRWR4 02 – CABINET

Products

PositionProduct
1Cabinet (Not A Serviceable Part)
2Leveler (2)
3Roller, Front & Rear (4)
4WP488729 Whirlpool Refrigerator Door Screw
5WPL 944813
6Breaker, Trim Clip
7Heater, Mullion
8Center Rail, Bracket (2)
9Ferrule, Center Rail
11WPL 488428
12WPL 1106510
13Center Rail (White)
13Center Rail (Toast)
13Center Rail (Platinum)
13Center Rail (Golden Harvest)
13Center Rail (Almond)
14Center, Rail Shim (2)
15Screw
17Shim, Hinge Top
18Shim, Hinge
191119787 Whirlpool Refrigerator Hinge Cover
19Hinge Cover (Golden Harvest)
19Hinge Cover (Toast)
20WP999367 Whirlpool Refrigerator Screw
20Screw (Repair)
21Hinge, Center
22Shim, Hinge Center
24WP488296 Whirlpool Washer Refrigerator
26Hinge Butt, Bottom
27Hinge Pin, Bottom
28Screw 10-32 x 5/16
29Shim, Bottom
30WP487802 Whirlpool Refrigerator Washer
31Cover, Glider Rail (Platinum)
31Cover, Glider Rail (Almond)
31Cover, Glider Rail (Golden Harvest)
31Cover, Glider Rail (White)
31Cover, Glider Rail (Toast)
32Cover, Deck Rail (Platinum)
32Cover, Deck Rail (Toast)
32Cover, Deck Rail (White)
32Cover, Deck Rail (Golden Harvest)
32Cover, Deck Rail (Almond)
33WPL 944833
33WPL 944831
33WPL 943552
33WPL 1100682
33Cover, Gl
34WPL 1110688
34WPL 1110687
34WPL 1110686
34WPL 1110685
34WPL 1110684
35Hole Plug (2) (Platinum)
35Hole Plug (2) (Golden Harvest)
35Hole Plug (2) (Almond)
35Hole Plug (2) (Toast)
35Hole Plug (2)
36Hole Plug (2) (White)
36Hole Plug (2) (Almond)
36Hole Plug (2) (Golden Harvest)
36Hole Plug (3) (Platinum)
36Hole Plug (3) (Toast)
37WPL 942844
38WP250830 Whirlpool Refrigerator Screw
39WPL 942845
40WPL 944741
41W11624204 Whirlpool Screw
42W10812038 Whirlpool Refrigerator Clip
43549193 Whirlpool Refrigerator Power Clamp
44Cord, Service
45Clamp
46WPL 942813
47WPL 1106507
48WP98165 Whirlpool Screw
49WPL 942854
50WP2187501 Whirlpool Refrigerator Wire Harness
518316810 Whirlpool Refrigerator Drain Tube
52WPL 519405
59WP489069 Whirlpool Compactor Screw