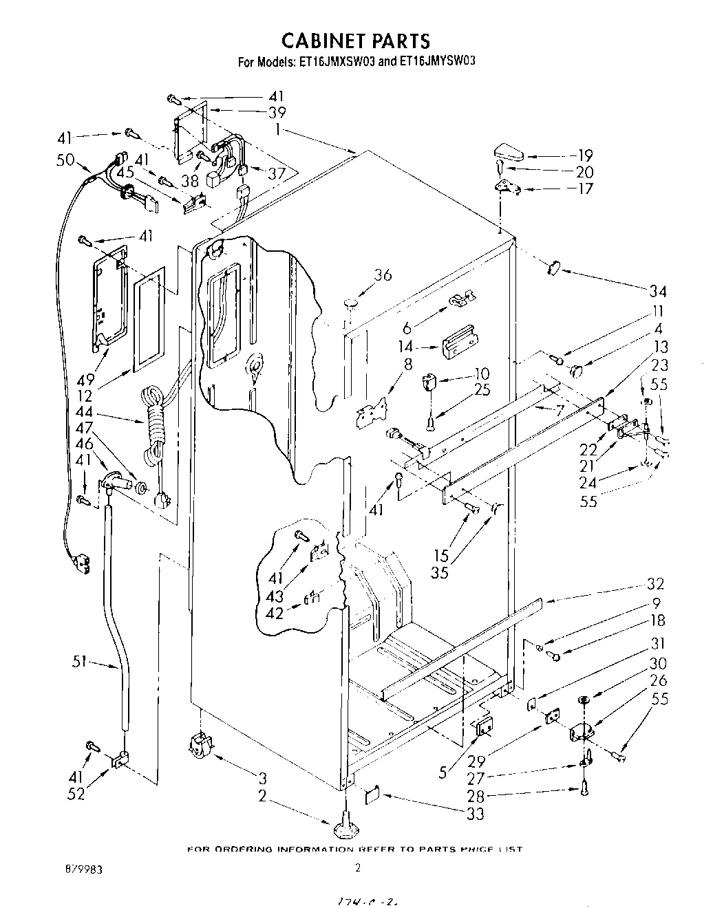
| 1 | Cabinet (Not A Serviceable Part) |
| 2 | Leveler (2) |
| 3 | Roller, Front & Rear (4) |
| 4 | Hole Plug (2) (Platinum) |
| 4 | Hole Plug (2) (White) |
| 4 | Hole Plug (2) (Golden Harvest) |
| 4 | Hole Plug (2) (Toast) |
| 4 | Hole Plug (2) (Almond) |
| 5 | WPL 944813 |
| 6 | Breaker, Trim Clip |
| 7 | Heater, Mullion |
| 8 | Center Rail, Bracket (2) |
| 9 | Ferrule, Center Rail |
| 10 | Spacer (2) |
| 11 | Screw (2) |
| 12 | WPL 1106510 |
| 13 | Center Rail (Golden Harvest) |
| 13 | Center Rail (Almond) |
| 13 | Center Rail (White) |
| 13 | Center Rail (Toast) |
| 13 | Center Rail (Platinum) |
| 14 | Center, Rail Shim (2) |
| 15 | Screw |
| 17 | Hinge, Top |
| 18 | WPL 488428 |
| 19 | Hinge Cover (Golden Harvest) |
| 19 | 1119787 Whirlpool Refrigerator Hinge Cover |
| 19 | Hinge Cover (Toast) |
| 20 | WP999367 Whirlpool Refrigerator Screw |
| 21 | Hinge, Center |
| 22 | Shim, Hinge Center |
| 23 | WP487802 Whirlpool Refrigerator Washer |
| 24 | WP488296 Whirlpool Washer Refrigerator |
| 25 | WP489174 Whirlpool Refrigerator Screw |
| 26 | Hinge Butt, Bottom |
| 27 | Hinge Pin, Bottom |
| 28 | Screw |
| 29 | Shim, Bottom |
| 30 | Washer, 7/64 |
| 31 | Cover, Glider Rail (Almond) |
| 31 | Cover, Glider Rail (White) |
| 31 | Cover, Glider Rail (Golden Harvest) |
| 31 | Cover, Glider Rail (Platinum) |
| 31 | Cover, Glider Rail (Toast) |
| 32 | Cover, Deck Rail (White) |
| 32 | Cover, Deck Rail (Toast) |
| 32 | Cover, Deck Rail (Almond) |
| 32 | Cover, Deck Rail (Platinum) |
| 32 | Cover, Deck Rail (Golden Harvest) |
| 33 | WPL 1100682 |
| 33 | Cover, Gl |
| 33 | WPL 944831 |
| 33 | WPL 943552 |
| 33 | WPL 944833 |
| 34 | WPL 1110687 |
| 34 | WPL 1110684 |
| 34 | WPL 1110685 |
| 34 | WPL 1110686 |
| 34 | WPL 1110688 |
| 35 | Hole Plug (Almond) |
| 35 | Hole Plug (White) |
| 35 | WPL 1119708 |
| 35 | WPL 1119710 |
| 35 | WPL 1119711 |
| 36 | Hole Plug (2) (Almond) |
| 36 | Hole Plug (3) (Toast) |
| 36 | Hole Plug (3) (Platinum) |
| 36 | Hole Plug (2) (White) |
| 36 | Hole Plug (2) (Golden Harvest) |
| 37 | WPL 942844 |
| 38 | WP250830 Whirlpool Refrigerator Screw |
| 39 | WPL 942845 |
| 41 | SCREW |
| 41 | WP489478 Whirlpool Refrigerator Screw |
| 42 | W10812038 Whirlpool Refrigerator Clip |
| 43 | 549193 Whirlpool Refrigerator Power Clamp |
| 44 | Cord, Service |
| 45 | Clamp |
| 46 | WPL 942813 |
| 47 | WPL 1106507 |
| 49 | WPL 1106511 |
| 50 | WP2187501 Whirlpool Refrigerator Wire Harness |
| 51 | 8316810 Whirlpool Refrigerator Drain Tube |
| 52 | WPL 519405 |
| 55 | Screw (Repair) |
| 55 | Screw |