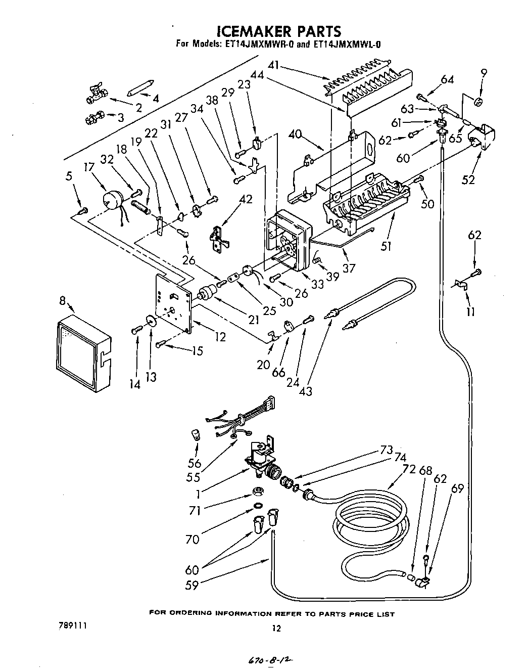
ET17JMXMWR0 07 – ICE MAKERadmin2025-04-26T12:06:43+00:00ET17JMXMWR0 07 – ICE MAKER
Products
| Position | Product |
|---|
| 1 | 4318047 Whirlpool Water Valve |
| 2 | Valve, Shut-Off |
| 3 | Union, 1/4`` x 3/16`` |
| 4 | Filter Kit |
| 8 | Cover |
| 8 | Cover |
| 9 | WP1106508 Whirlpool Refrigerator Gasket |
| 11 | WP488366 Whirlpool Refrigerator Clamp |
| 12 | Plate, Mounting |
| 13 | Gear |
| 14 | Screw |
| 15 | WP488787 Whirlpool Refrigerator Screw |
| 17 | Motor |
| 18 | Spring |
| 19 | Plate, Valve Switch |
| 20 | Spacer, Switch (2) |
| 21 | Cam |
| 22 | Insulator |
| 23 | Switch, S.P.D.T. (2) |
| 24 | Screw, 4-40 x 1 |
| 25 | Clamp, Thermostat |
| 26 | Screw, 8-32 x 1 |
| 27 | Screw |
| 29 | Screw, 4-24 x 3/4 |
| 30 | Thermostat |
| 31 | Switch, S.P.S.T. |
| 32 | Screw, Ground |
| 33 | Support |
| 34 | Screw, Shoulder |
| 37 | Arm, Shut-Off |
| 38 | Lever, Arm |
| 39 | Spring, Shut-Off Arm |
| 40 | Shield, Heat |
| 41 | Ejector |
| 42 | Lever & Plate Assembly |
| 43 | Heater, Mold |
| 44 | Stripper, Ice |
| 50 | Screw, 8-16 x 3/8 |
| 51 | Mold & Heater Assembly (Includes Illus. 15) |
| 52 | Beraing & Inlet |
| 55 | WPL 627750 |
| 56 | Wire Connector |
| 59 | W10823511 Whirlpool Refrigerator Water Tube |
| 60 | 4387491 Whirlpool Refrigerator Insert |
| 61 | WP488878 Whirlpool Refrigerator Tube Clamp |
| 62 | WP489069 Whirlpool Compactor Screw |
| 63 | WP2196157 Whirlpool Fill Tube |
| 64 | WP98165 Whirlpool Screw |
| 65 | Tube, Water Inlet |
| 66 | Switch, S.P.D.T. |
| 68 | WP2158826 Whirlpool Refrigerator Dampener |
| 69 | Clamp Tube |
| 70 | ``O`` Ring Seal (4) |
| 71 | WP627018 Whirlpool Refrigerator Nut |
| 72 | Tube, Inlet Valve |
| 73 | Nut, Valve |
| 74 | WP16123 Whirlpool Washer |