ET18JKXRWR0 02 – CABINET

ET18JKXRWR0 02 – CABINET

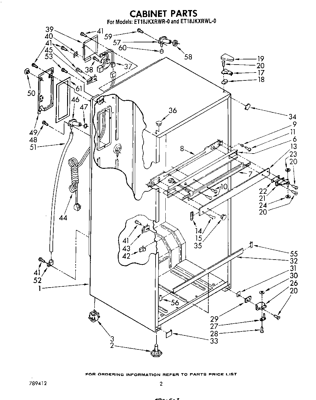
Products

PositionProduct
1Cabinet (Not A Serviceable Part)
2Leveler (2)
3Roller, Front & Rear (4)
6Frame, Center Rail
7Heater, Mullion
8Center Rail, Bracket
9Ferrule, Center Rail
10Screw, 8-32 x 1/2
11WPL 488428
13Center Rail (Almond)
13Center Rail (Golden Harvest)
13Center Rail (Toast)
13Center Rail (Coffee)
13Center Rail (White)
13Center Rail (Platinum)
14Filler, Center Rail (2) (Platinum)
14Filler, Center Rail (2) (Almond)
14Filler, Center Rail (2) (Coffee)
14Filler, Center Rail (2) (Toast)
14Filler, Center Rail (2) (Golden Harvest)
14Filler, Center Rail (2) (White)
15Screw, 10-32 x 3/8
17Shim, Hinge Top
18Shim, Hinge
19Hinge Cover (Golden Harvest)
19Hinge Cover (Toast)
19Hinge, Cover (Coffee)
191119787 Whirlpool Refrigerator Hinge Cover
20WP999367 Whirlpool Refrigerator Screw
21Hinge, Center
22Shim, Hinge Center
22Shim, Center (Repair)
24Screw (Repair)
24WP488296 Whirlpool Washer Refrigerator
26Hinge Butt, Bottom
27Hinge Pin, Bottom
28Screw 10-32 x 5/16
29Shim, Bottom
30WP487802 Whirlpool Refrigerator Washer
31Cover, Glider Rail (Almond)
31Cover, Glider Rail (Golden Harvest)
31WPL 942819
31Cover, Glider Rail (Toast)
31Cover, Glider Rail (Platinum)
31Cover, Glider Rail (White)
32WPL 1100669
32WPL 943686
32WPL 943685
32WPL 943687
32WPL 943689
32WPL 1100670
33WPL 944833
33WPL 944831
33WPL 943552
33WPL 944832
33Cover, Gl
33WPL 1100682
34WPL 1100684
34WPL 1100683
34WPL 942807
34WPL 942808
34WPL 942809
34WPL 942811
35Hole Plug (2) (Golden Harvest)
35Hole Plug (2) (Almond)
35Hole Plug (2) (Toast)
35Hole Plug (2) (Platinum)
35Hole Plug (2)
35Hole Plug (2) (Coffee)
36Hole Plug (3) (Platinum)
36Hole Plug (2) (Almond)
36Hole Plug (Coffee)
36Hole Plug (2) (White)
36Hole Plug (2) (Golden Harvest)
36Hole Plug (3) (Toast)
37WPL 942844
38WP250830 Whirlpool Refrigerator Screw
39WPL 942845
40WPL 944741
41W11624204 Whirlpool Screw
42W10812038 Whirlpool Refrigerator Clip
43549193 Whirlpool Refrigerator Power Clamp
44Cord, Service
45Clamp
46WPL 942813
47WPL 1106507
48WP98165 Whirlpool Screw
49WPL 1106512
50WPL 655411
518316810 Whirlpool Refrigerator Drain Tube
52WPL 519405
53WP489069 Whirlpool Compactor Screw
55WPL 944700
55WPL 1100672
55WPL 944702
55WPL 944703
55WPL 1100671
55WPL 944701
56WPL 944706
56WPL 944707
56WPL 944708
56WPL 944705
56WPL 1100674
56WPL 1100673
57WP2196157 Whirlpool Fill Tube
58WP1106508 Whirlpool Refrigerator Gasket
60WP487996 Whirlpool Refrigerator Cap Tube
61WPL 1106510