ET18JMYSF00 02 – CABINET

ET18JMYSF00 02 – CABINET

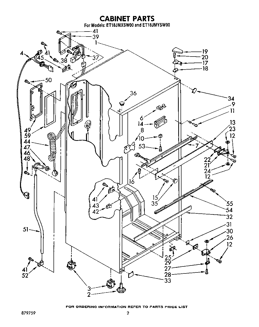
Products

PositionProduct
1Cabinet (Not A Serviceable Part)
2Leveler (2)
3Roller, Front & Rear (4)
4WP2187501 Whirlpool Refrigerator Wire Harness
6Breaker, Trim Clip
7Heater, Mullion
8Center Rail, Bracket (2)
9Ferrule, Center Rail
10Spacer (2)
11Screw
12Screw
13Center Rail (Almond)
13Center Rail (Golden Harvest)
13Center Rail (White)
13Center Rail (Toast)
13Center Rail (Platinum)
14Center, Rail Shim (2)
15Screw
16WP488729 Whirlpool Refrigerator Door Screw
17Shim, Hinge Top
18Shim, Hinge
19Hinge Cover (Toast)
191119787 Whirlpool Refrigerator Hinge Cover
19Hinge Cover (Golden Harvest)
20WP999367 Whirlpool Refrigerator Screw
20Screw (Repair)
21Hinge, Center
22Shim, Center (Repair)
22Shim, Hinge Center
24WP488296 Whirlpool Washer Refrigerator
25WPL 944813
26Hinge Butt, Bottom
27Hinge Pin, Bottom
28Screw 10-32 x 5/16
29Shim, Bottom
30WP487802 Whirlpool Refrigerator Washer
31Cover, Glider Rail (Golden Harvest)
31Cover, Glider Rail (White)
31Cover, Glider Rail (Toast)
31Cover, Glider Rail (Platinum)
31Cover, Glider Rail (Almond)
32Cover, Deck Rail (Golden Harvest)
32Cover, Deck Rail (Almond)
32Cover, Deck Rail (White)
32Cover, Deck Rail (Toast)
32Cover, Deck Rail (Platinum)
33WPL 943552
33Cover, Gl
33WPL 944831
33WPL 944833
33WPL 1100682
34WPL 1110687
34WPL 1110686
34WPL 1110684
34WPL 1110685
34WPL 1110688
35Hole Plug (2) (Platinum)
35Hole Plug (2)
35Hole Plug (2) (Toast)
35Hole Plug (2) (Almond)
35Hole Plug (2) (Golden Harvest)
36Hole Plug (2) (Golden Harvest)
36Hole Plug (2) (White)
36Hole Plug (2) (Almond)
36Hole Plug (3) (Platinum)
36Hole Plug (3) (Toast)
37WPL 942844
38WP250830 Whirlpool Refrigerator Screw
39WPL 942845
41W11624204 Whirlpool Screw
42W10812038 Whirlpool Refrigerator Clip
43549193 Whirlpool Refrigerator Power Clamp
44Cord, Service
45Clamp
46WPL 942813
47WPL 1106507
48WP98165 Whirlpool Screw
49WPL 1106511
50WP489069 Whirlpool Compactor Screw
518316810 Whirlpool Refrigerator Drain Tube
52WPL 519405
53Screw, 8 x 7/8
54WPL 1110356
55WPL 489167
59WPL 1106510