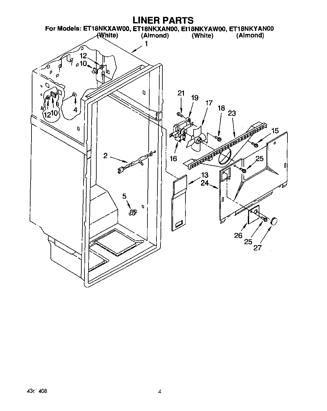
ET18NKXAN00 02 – LINER