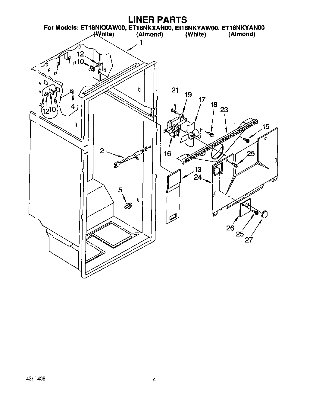
ET18NKYAN00 02 – LINER