ET18UKXAW00 06 – UNIT

ET18UKXAW00 06 – UNIT

Products

PositionProduct
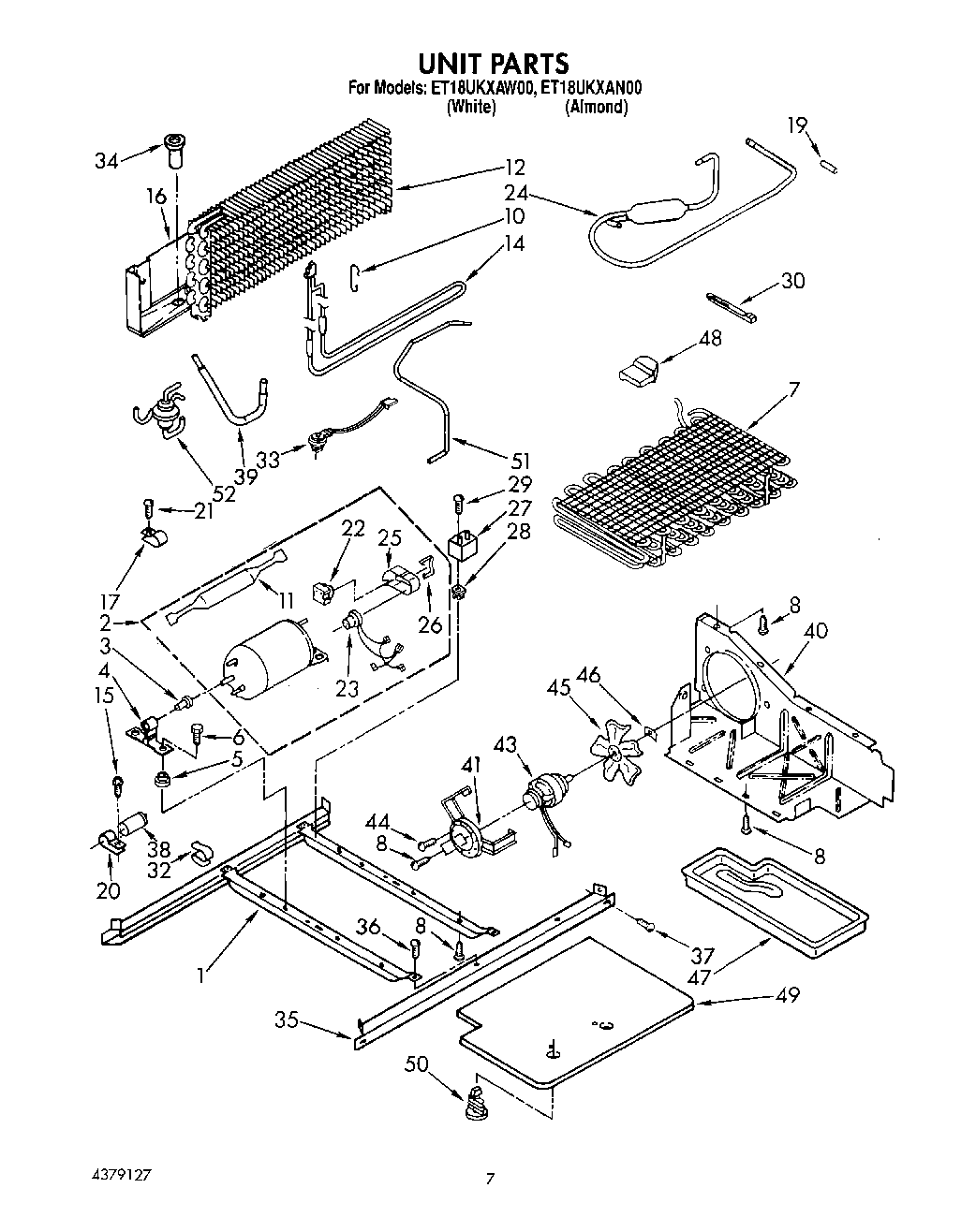
1Unit, Frame
2Compressor KIt Includes Items (11, 17, 22, 23, 25, 26, 27)
3Grommet, Compressor Bracket
4Bracket, Mounting
5Grommet, Compressor (4)
6Screw (4)
7Condenser Assembly
8WP489464 Whirlpool Refrigerator Screw
10Support, Heater
11W10843121 Whirlpool Refrigerator Tube
12Evaporator
14Heater, Defrost
15WP489128 Whirlpool Refrigerator Screw
16Drain Pan & Heat Shield
17Clamp Tube
19WP2158826 Whirlpool Refrigerator Dampener
20Tube Clamp
21WP489478 Whirlpool Refrigerator Screw
22Relay (See Overload)
23Overload (Service (Includes Relay))
23Overload (Production (Includes Relay))
24Muffler
25Terminal Cover (Service)
26Strap, Cover
27WPW10662129 Whirlpool Refrigerator Run Capacitor
28Screw Grommet
29W11693756 Whirlpool Screw Assembly
30WPW10339879 Whirlpool Wire Tie
32Clip, Wire (2)
33WP4387503 Whirlpool Refrigerator Bimetal Defrost Thermostat
34Drain Fitting
35Unit, Rail
36WP489427 Whirlpool Refrigerator Screw
37489340 Whirlpool Refrigerator Screw
38Capacitor, Start
39Tube, Condenser To Fluid Valve
40Air, Baffle
41Fan, Mounting Bracket
43833697 Whirlpool Condenser Fan Motor
44681390 Whirlpool Refrigerator Screw
45Fan Blade
46WP486692 Whirlpool Refrigerator Nut
47Tray, Evaporator
48Wedge, Air Baffle
49Cover, Unit Bottom
50489396 Whirlpool Refrigerator Clip
51Tube Fluid Valve To Heat Loop
52978027 Whirlpool Refrigerator Primary Valve
52978030 Whirlpool Refrigerator Valve
52WP978025 Whirlpool Refrigerator Valve
52VALVE, ACCESS (1/2``)
52876764 Whirlpool Refrigerator Primary Valve
52VALVE, ACCESS (5/8``)
52Fluid Control Valve
52978026 Whirlpool Refrigerator Primary Valve