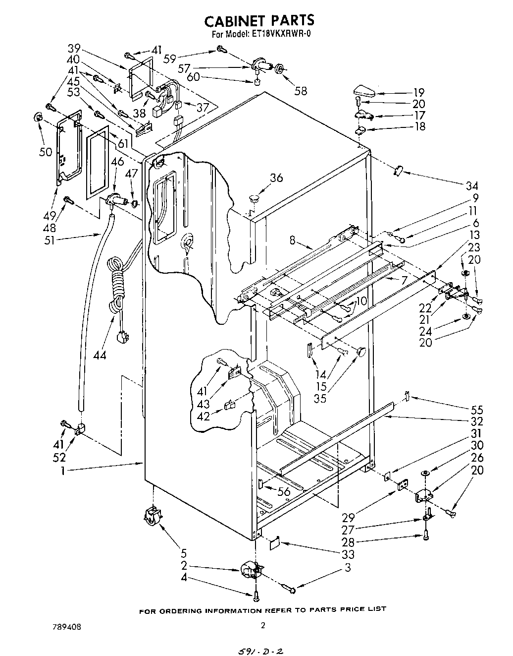
| 1 | Cabinet (Not A Serviceable Part) |
| 2 | Roller, Front |
| 3 | Screw, 5/16-24 x 1 |
| 4 | Screw, 10-32 x 1/2 |
| 5 | Roller, Front & Rear (4) |
| 6 | Frame, Center Rail |
| 7 | Heater, Mullion |
| 8 | Center Rail, Bracket |
| 9 | Ferrule, Center Rail |
| 10 | Screw, 8-32 x 1/2 |
| 11 | WPL 488428 |
| 13 | Center Rail (Golden Harvest) |
| 13 | Center Rail (White) |
| 13 | Center Rail (Almond) |
| 13 | Center Rail (Toast) |
| 13 | Center Rail (Coffee) |
| 13 | Center Rail (Platinum) |
| 14 | Filler, Center Rail (2) (Platinum) |
| 14 | Filler, Center Rail (2) (White) |
| 14 | Filler, Center Rail (2) (Almond) |
| 14 | Filler, Center Rail (2) (Coffee) |
| 14 | Filler, Center Rail (2) (Toast) |
| 14 | Filler, Center Rail (2) (Golden Harvest) |
| 15 | Screw, 10-32 x 3/8 |
| 17 | Shim, Hinge Top |
| 18 | Shim, Hinge |
| 19 | 1119787 Whirlpool Refrigerator Hinge Cover |
| 19 | Hinge Cover (Golden Harvest) |
| 19 | Hinge, Cover (Coffee) |
| 19 | Hinge Cover (Toast) |
| 20 | Screw (Repair) |
| 20 | WP999367 Whirlpool Refrigerator Screw |
| 21 | Hinge, Center |
| 22 | Shim, Center (Repair) |
| 22 | Shim, Hinge Center |
| 24 | WP488296 Whirlpool Washer Refrigerator |
| 26 | Hinge Butt, Bottom |
| 27 | Hinge Pin, Bottom |
| 28 | Screw 10-32 x 5/16 |
| 29 | Shim, Bottom |
| 30 | WP487802 Whirlpool Refrigerator Washer |
| 31 | Cover, Glider Rail (White) |
| 31 | Cover, Glider Rail (Almond) |
| 31 | Cover, Glider Rail (Toast) |
| 31 | Cover, Glider Rail (Platinum) |
| 31 | WPL 942819 |
| 31 | Cover, Glider Rail (Golden Harvest) |
| 32 | WPL 943686 |
| 32 | WPL 943685 |
| 32 | WPL 1100670 |
| 32 | WPL 1100669 |
| 32 | WPL 943689 |
| 32 | WPL 943687 |
| 33 | WPL 944833 |
| 33 | WPL 944831 |
| 33 | WPL 943552 |
| 33 | WPL 944832 |
| 33 | Cover, Gl |
| 33 | WPL 1100682 |
| 34 | WPL 942807 |
| 34 | WPL 1100684 |
| 34 | WPL 942808 |
| 34 | WPL 942809 |
| 34 | WPL 1100683 |
| 34 | WPL 942811 |
| 35 | Hole Plug (2) |
| 35 | Hole Plug (2) (Almond) |
| 35 | Hole Plug (2) (Platinum) |
| 35 | Hole Plug (2) (Coffee) |
| 35 | Hole Plug (2) (Golden Harvest) |
| 35 | Hole Plug (2) (Toast) |
| 36 | Hole Plug (Coffee) |
| 36 | Hole Plug (2) (White) |
| 36 | Hole Plug (3) (Toast) |
| 36 | Hole Plug (2) (Almond) |
| 36 | Hole Plug (2) (Golden Harvest) |
| 36 | Hole Plug (3) (Platinum) |
| 37 | WPL 942844 |
| 38 | WP250830 Whirlpool Refrigerator Screw |
| 39 | WPL 942845 |
| 40 | WPL 944741 |
| 41 | W11624204 Whirlpool Screw |
| 42 | W10812038 Whirlpool Refrigerator Clip |
| 43 | 549193 Whirlpool Refrigerator Power Clamp |
| 44 | Cord, Service |
| 45 | Clamp |
| 46 | WPL 942813 |
| 47 | WPL 1106507 |
| 48 | WP98165 Whirlpool Screw |
| 49 | WPL 1106512 |
| 50 | WPL 655411 |
| 51 | 8316810 Whirlpool Refrigerator Drain Tube |
| 52 | WPL 519405 |
| 53 | WP489069 Whirlpool Compactor Screw |
| 55 | WPL 944703 |
| 55 | WPL 944702 |
| 55 | WPL 1100671 |
| 55 | WPL 944701 |
| 55 | WPL 944700 |
| 55 | WPL 1100672 |
| 56 | WPL 944708 |
| 56 | WPL 944707 |
| 56 | WPL 944706 |
| 56 | WPL 944705 |
| 56 | WPL 1100674 |
| 56 | WPL 1100673 |
| 57 | WP2196157 Whirlpool Fill Tube |
| 58 | WP1106508 Whirlpool Refrigerator Gasket |
| 60 | WP487996 Whirlpool Refrigerator Cap Tube |
| 61 | WPL 1106510 |