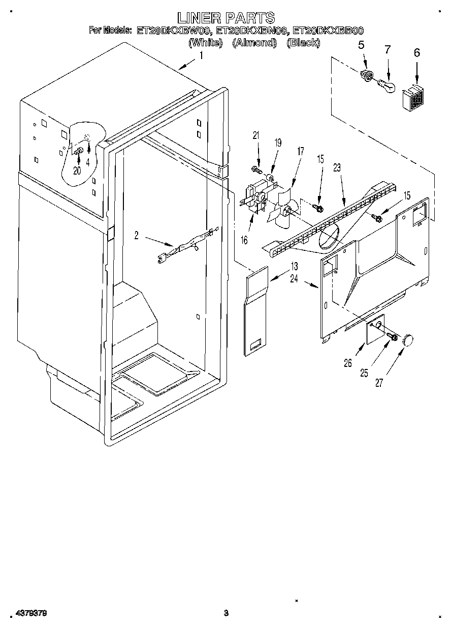
ET20DKXBW00 02 – LINER