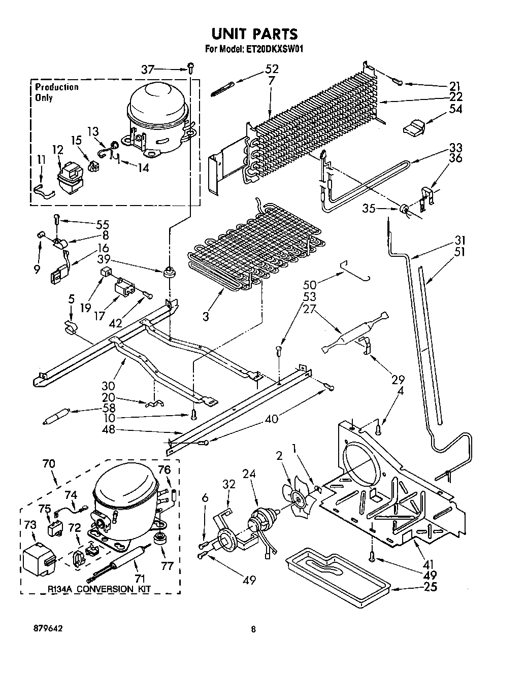
| 1 | WP486692 Whirlpool Refrigerator Nut |
| 2 | Fan, Blade |
| 3 | Condenser Assembly |
| 4 | Screw, 8-32 x 1/2 |
| 5 | Clip, Wire (2) |
| 6 | 681390 Whirlpool Refrigerator Screw |
| 7 | Heat Shield Evaporator |
| 8 | Clamp Tube |
| 9 | Dampener (2) |
| 10 | WP488729 Whirlpool Refrigerator Door Screw |
| 11 | case spring |
| 12 | Case, Relay |
| 13 | Overload |
| 14 | Spring, Overload |
| 15 | Relay |
| 16 | WP717253 Whirlpool Dishwasher Connector |
| 17 | WPW10662129 Whirlpool Refrigerator Run Capacitor |
| 19 | Screw Grommet |
| 20 | Clip (2) |
| 21 | W11624204 Whirlpool Screw |
| 22 | Evaporator |
| 24 | 833697 Whirlpool Condenser Fan Motor |
| 25 | WPW10614158 Whirlpool Refrigerator Evaporator Tray |
| 27 | W10843121 Whirlpool Refrigerator Tube |
| 29 | Clamp |
| 30 | Unit Mounting Frame |
| 31 | Exchanger, Heat |
| 32 | Bracket, Motor |
| 33 | Heater, Defrost |
| 35 | WP4387499 Whirlpool Refrigerator Bimetallic Defrost |
| 36 | Clamp |
| 39 | 876811 Whirlpool Grommet |
| 40 | 489340 Whirlpool Refrigerator Screw |
| 41 | Baffle, Air |
| 42 | W11693756 Whirlpool Screw Assembly |
| 48 | Unit Mounting Rail |
| 49 | Screw, 8 x 3/8 |
| 50 | 1105612 Whirlpool Fan Guard |
| 51 | WP2002171 Whirlpool Refrigerator Sleeve |
| 52 | Strap |
| 53 | Screw, 1/4-28 x 1/2 (2) |
| 54 | Support (R.S.) |
| 55 | WPW10141625 Whirlpool Refrigerator Screw Assembly |
| 58 | Muffler |
| 70 | Compressor (Includes Items 71, 72, 73, 74, 75, 76, & 77) (Also Order |
| 70 | 876765 Whirlpool Primary Mounting Kit Refrigerator |
| 72 | OVERLOAD |
| 73 | WP2162358 Whirlpool Refrigerator Terminal Cover |
| 74 | WP2172890 Whirlpool Refrigerator Wire |
| 75 | WP4387764 Whirlpool Run Capacitor |
| 76 | Sleeve (4) (Service Only) |
| 77 | WP978025 Whirlpool Refrigerator Valve |
| 77 | 978030 Whirlpool Refrigerator Valve |
| 77 | 978027 Whirlpool Refrigerator Primary Valve |
| 77 | VALVE, ACCESS (1/2``) |
| 77 | 876764 Whirlpool Refrigerator Primary Valve |
| 77 | 978026 Whirlpool Refrigerator Primary Valve |
| 77 | VALVE, ACCESS (5/8``) |
| 77 | WP4387558 Whirlpool Refrigerator Compressor Grommet |