ET20DKXTM01 06 – UNIT

ET20DKXTM01 06 – UNIT

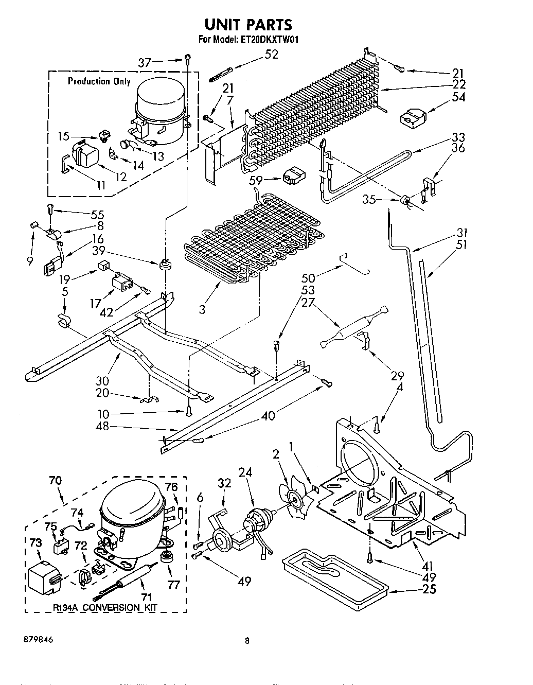
Products

PositionProduct
1WP486692 Whirlpool Refrigerator Nut
2Fan, Blade
3Condenser Assembly
4Screw, 8-32 x 1/2
5Clip, Wire (2)
6681390 Whirlpool Refrigerator Screw
7Heat Shield Evaporator
8Clamp Tube
9Dampener (2)
10WP489069 Whirlpool Compactor Screw
11Spring, Case
12Case, Relay
13Overload
14Overload Spring
15Relay
16WP717253 Whirlpool Dishwasher Connector
17WPW10662129 Whirlpool Refrigerator Run Capacitor
19Screw Grommet
20Clip (2)
21W11624204 Whirlpool Screw
22Evaporator
24833697 Whirlpool Condenser Fan Motor
25WPW10614158 Whirlpool Refrigerator Evaporator Tray
27W10843121 Whirlpool Refrigerator Tube
29Clamp
30Unit Mounting Frame
31Exchanger, Heat
32Bracket, Motor
33Heater, Defrost
35WP4387499 Whirlpool Refrigerator Bimetallic Defrost
36Clamp
39876811 Whirlpool Grommet
40489340 Whirlpool Refrigerator Screw
41Baffle, Air
42W11693756 Whirlpool Screw Assembly
48Unit Mounting Rail
49Screw, 8 x 3/8
501105612 Whirlpool Fan Guard
51WP2002171 Whirlpool Refrigerator Sleeve
52Strap
53Screw, 1/4-28 x 1/2 (2)
54Support (R.S.)
55WPW10141625 Whirlpool Refrigerator Screw Assembly
59Support, Evaporator (L.S.)
70876765 Whirlpool Primary Mounting Kit Refrigerator
70Compressor (Includes Items 71, 72, 73, 74, 75, 76, & 77) (Also Order
72OVERLOAD
73WP2162358 Whirlpool Refrigerator Terminal Cover
74WP2172890 Whirlpool Refrigerator Wire
75WP4387764 Whirlpool Run Capacitor
76Sleeve (4) (Service Only)
77VALVE, ACCESS (1/2``)
77876764 Whirlpool Refrigerator Primary Valve
77978030 Whirlpool Refrigerator Valve
77WP4387558 Whirlpool Refrigerator Compressor Grommet
77978027 Whirlpool Refrigerator Primary Valve
77978026 Whirlpool Refrigerator Primary Valve
77VALVE, ACCESS (5/8``)
77WP978025 Whirlpool Refrigerator Valve