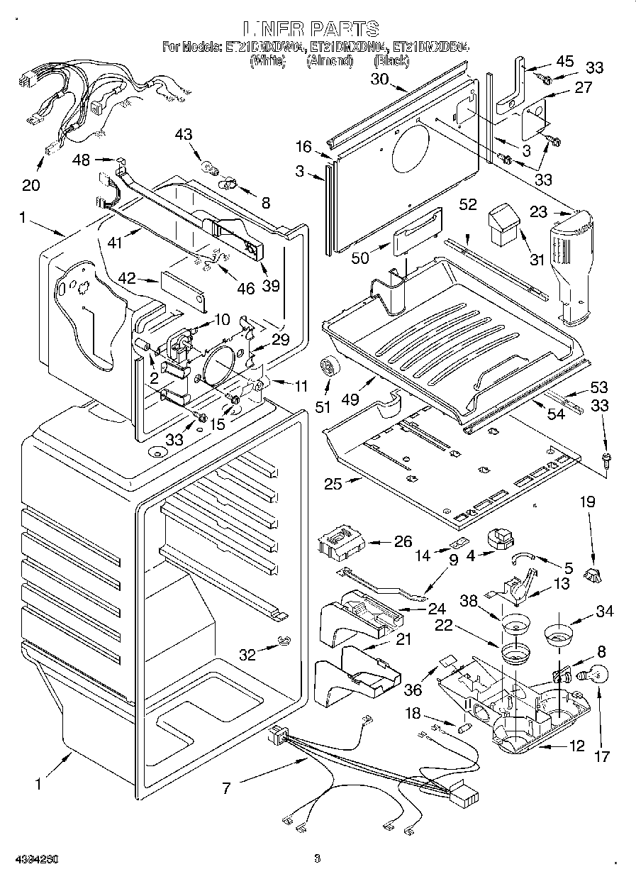
ET21DMXDB04 02 – LINER