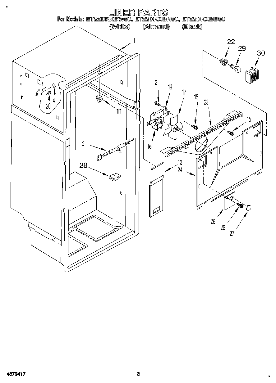
ET22DKXBN00 02 – LINER