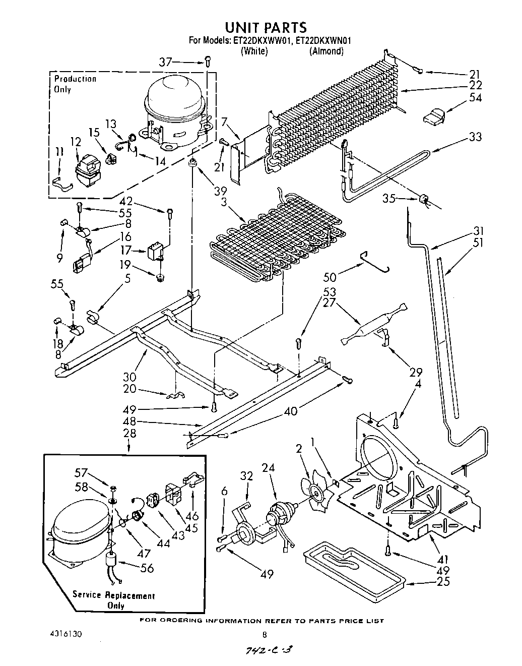
ET22DKXWW01 06 – UNIT

ET22DKXWW01 06 – UNIT